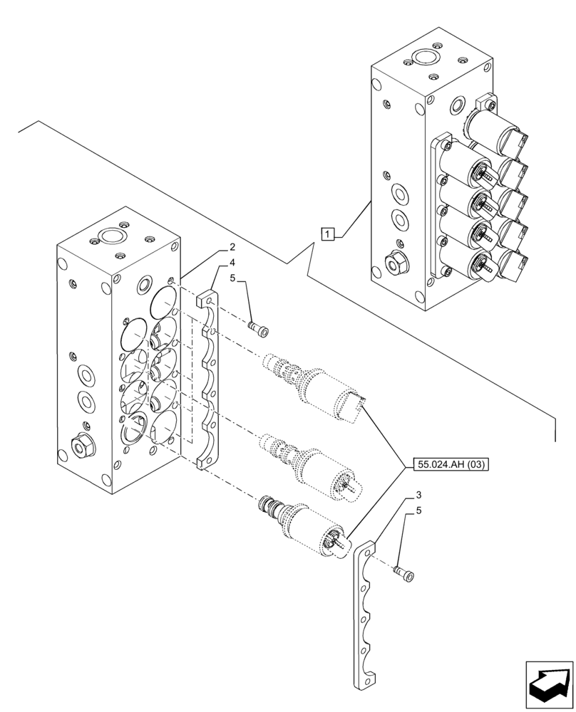
Запчасти Case IH PUMA 185 CVT (21.505.AQ[02]) - VAR - 337427, 337433, 391138, 758022 - TRANSMISSION CONTROL VALVE, COMPONENTS (21) - TRANSMISSION

Схема запчастей Case IH PUMA 185 CVT - (21.505.AQ[02]) - VAR - 337427, 337433, 391138, 758022 - TRANSMISSION CONTROL VALVE, COMPONENTS (21) - TRANSMISSION
55.024.ah (03)
4
1
5
3
2
5
FIT
1:1
100%

Артикул

Название

Примечание

Количество

1

84123450

MANIFOLD VALVE

ASSY, Incl 2 - 5

1шт.

2

84125653

MANIFOLD VALVE

1шт.

3

87683403

PLATE

1шт.

4

47134564

FIXING PLATE

1шт.

5

NSS

NOT SOLD SEPARAT

Screw

11шт.

Выбрано товаров: 5