Запчасти Case IH PUMA 185 CVT (25.102.AB[02]) - VAR - 758048 - FRONT AXLE, SUSPENDED, BEVEL PINION (25) - FRONT AXLE SYSTEM

Схема запчастей Case IH PUMA 185 CVT - (25.102.AB[02]) - VAR - 758048 - FRONT AXLE, SUSPENDED, BEVEL PINION (25) - FRONT AXLE SYSTEM
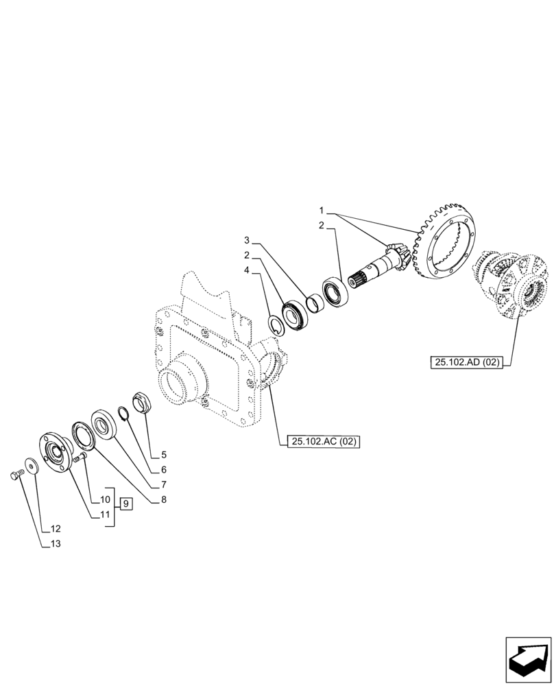
7
1
13
4
10
2
11
3
25.102.ad (02)
25.102.ac (02)
2
5
12
9
6
8
FIT
1:1
100%

Артикул

Название

Примечание

Количество

1

84365312

GEAR SET

1шт.

2

84368730

ROLLER BEARING,45mm ID x 100mm OD x 38.25mm W

2шт.

3

5179957

SHIM,19.400mm Thk

1шт.

3

5179960

SHIM,19.450mm Thk

1шт.

3

5179962

SHIM,19.500mm Thk

1шт.

3

5179963

SHIM,19.525mm Thk

1шт.

3

5179961

SHIM,19.475mm Thk

1шт.

3

5179959

SHIM,19.425mm Thk

1шт.

3

5179970

SHIM,19.700mm Thk

1шт.

3

5179971

SHIM,19.725mm Thk

1шт.

3

5179969

SHIM,19.675mm Thk

1шт.

3

5179966

SHIM,19.600mm Thk

1шт.

3

5179967

SHIM,19.625mm Thk

1шт.

3

5179968

SHIM,19.650mm Thk

1шт.

3

5179965

SHIM,19.575mm Thk

1шт.

3

5179964

SHIM,19.550mm Thk

1шт.

3

5179976

SHIM,19.850mm Thk

1шт.

3

5179978

SHIM,19.900mm Thk

1шт.

3

5179977

SHIM,19.875mm Thk

1шт.

3

5179974

SHIM,19.800mm Thk

1шт.

3

5179975

SHIM,19.825mm Thk

1шт.

3

5179973

SHIM,19.775mm Thk

1шт.

3

5179972

SHIM,19.750mm Thk

1шт.

3

5179985

SHIM,20.075mm Thk

1шт.

3

5179982

SHIM,20.000mm Thk

1шт.

3

5179983

SHIM,20.025mm Thk

1шт.

3

5179984

SHIM,20.050mm Thk

1шт.

3

5179981

SHIM,19.975mm Thk

1шт.

3

5179980

SHIM,19.950mm Thk

1шт.

3

5179979

SHIM,19.925mm Thk

1шт.

3

5179990

SHIM,20.200mm Thk

1шт.

3

5179989

SHIM,20.175mm Thk

1шт.

3

5179987

SHIM,20.125mm Thk

1шт.

3

5179988

SHIM,20.150mm Thk

1шт.

3

5179986

SHIM,20.100mm Thk

1шт.

3

5179993

SHIM,20.275mm Thk

1шт.

3

5179994

SHIM,20.300mm Thk

1шт.

3

5179992

SHIM,20.250mm Thk

1шт.

3

5179991

SHIM,20.225mm Thk

1шт.

4

84368680

SPECIAL WASHER

1шт.

5

5147930

RING NUT,M45 x 1.5

1шт.

6

5168195

SNAP RING,1.5mm Thk, Ext

1шт.

7

87355233

SEAL,42mm ID x 101mm OD x 17.5mm Thk

1шт.

8

87525554

SEAL PROTECTION

1шт.

9

87621411

FLANGE

ASSY, Incl 10, 11

1шт.

10

87550808

PIN,12.5mm OD x 37mm L

3шт.

11

NSS

NOT SOLD SEPARAT

Flange, Incl in 9

1шт.

12

87350787

WASHER

1шт.

13

15540431

SCREW,Hex, M12 x 1.25 x 30mm, Cl 10.9, Full Thd

1шт.

Выбрано товаров: 49