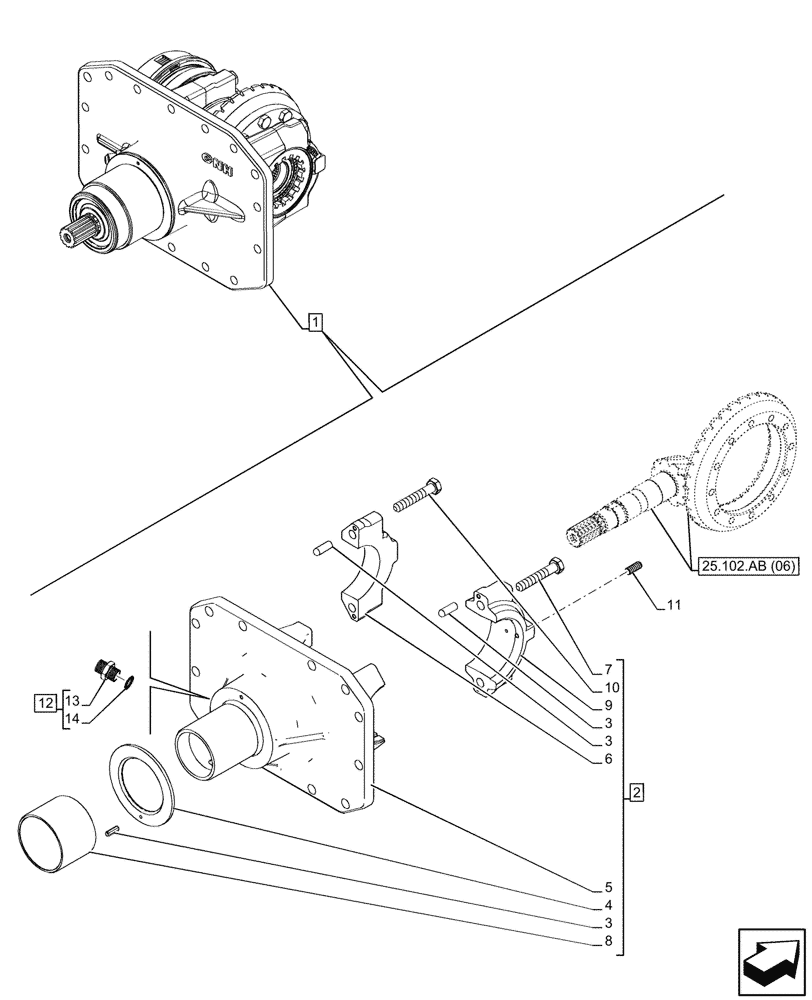
Запчасти Case IH PUMA 185 CVT (25.102.AC[07]) - VAR - 391157 - 4WD FRONT AXLE, DIFFERENTIAL, DIFFERENTIAL CARRIER (25) - FRONT AXLE SYSTEM

Схема запчастей Case IH PUMA 185 CVT - (25.102.AC[07]) - VAR - 391157 - 4WD FRONT AXLE, DIFFERENTIAL, DIFFERENTIAL CARRIER (25) - FRONT AXLE SYSTEM
3
3
9
10
2
8
11
12
3
7
5
4
6
25.102.ab (06)
14
1
13
FIT
1:1
100%

Артикул

Название

Примечание

Количество

1

84371284

DIFFERENTIAL

ASSY, Incl 2 - 15

1шт.

See Differential Components also in Figure 25.102.AB (06), 25.102.AD (07), 25.102.AS (06)

1шт.

2

84565055

CARRIER,Bevel Gear

ASSY, Incl 3 - 10

1шт.

3

4966244

PIN,5mm OD x 15mm L

5шт.

4

5136115

RING,105.3mm ID x 148mm OD x 5mm Thk

1шт.

5

NSS

NOT SOLD SEPARAT

Support, Incl in 2

1шт.

6

NSS

NOT SOLD SEPARAT

Differential Gearing Support, Incl in 2

1шт.

7

14255334

SCREW,Hex, M14 x 1.5 x 75mm, Cl 10.9

2шт.

8

5136116

BUSHING,105mm ID x 115.56mm OD x 72mm L

1шт.

9

NSS

NOT SOLD SEPARAT

Differential Gearing Support, Incl in 2

1шт.

10

14255734

SCREW,Hex, M14 x 1.5 x 90mm, Cl 10.9

2шт.

11

13798231

SET SCREW,Hex Skt, M6 x 25mm, Cl 10.9, Full Thd, Cone Pt

1шт.

12

5154713

HYD CONNECTOR

ASSY, Incl 13, 14

1шт.

13

NSS

NOT SOLD SEPARAT

Connector, Incl in 12

1шт.

14

14437885

O-RING,13.30mm ID x 2.40mm

1шт.

Выбрано товаров: 15