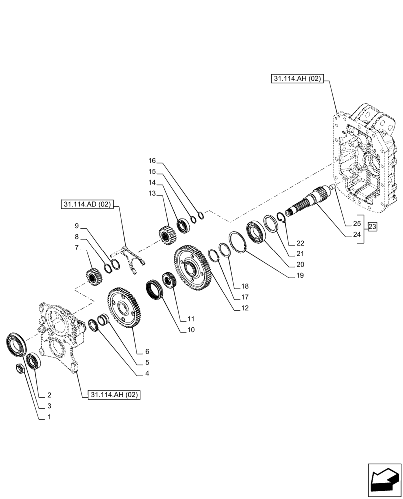
Запчасти Case IH PUMA 185 CVT (31.114.AB[02]) - VAR - 391145, 758025, 758029 - PTO 1000/1000E RPM, DRIVEN SHAFT (31) - IMPLEMENT POWER TAKE OFF

Схема запчастей Case IH PUMA 185 CVT - (31.114.AB[02]) - VAR - 391145, 758025, 758029 - PTO 1000/1000E RPM, DRIVEN SHAFT (31) - IMPLEMENT POWER TAKE OFF
1
17
8
9
3
31.114.ah (02)
31.114.ah (02)
5
2
15
31.114.ad (02)
11
23
13
19
12
20
18
21
22
16
10
24
25
14
4
6
7
FIT
1:1
100%

Артикул

Название

Примечание

Количество

1

5123114

RING NUT,Hex, M36 x 1.5

1шт.

2

5138660

BEARING, ROLLER, CYL,40mm ID x 90mm OD x 23mm W

1шт.

3

87707493

BEARING ASSY,75mm ID x 130mm OD x 25mm W

1шт.

4

5182629

ANTI-WRAP PLATE

1шт.

5

5151437

BUSHING,44.4mm ID x 55mm OD x 35mm L

1шт.

6

87605013

GEAR

Z13, 1000 RPM

1шт.

7

87548135

DRIVING GEAR

Z28, 1000 RPM

1шт.

8

5151457

THRUST WASHER,50.1mm ID x 62mm OD x 2mm Thk

1шт.

9

5138419

SNAP RING,M50

1шт.

10

87578126

SLEEVE,Z12

1шт.

11

87578128

GEAR,21T Internal / 33T External

1шт.

12

87605012

GEAR

Z51, 1000E RPM

1шт.

13

87548137

DRIVING GEAR

Z30, 1000E RPM

1шт.

14

5182641

BEARING, ROLLER, CYL,35mm ID x 80mm OD x 21mm W

1шт.

15

5154308

THRUST WASHER,35.1mm ID x 43mm OD x 2mm Thk

1шт.

16

5154307

SNAP RING,M35

1шт.

17

47132124

CIRCLIP,M70

1шт.

18

47131852

RETAINER,70.5mm ID x 86mm OD x 4mm Thk

1шт.

19

11076176

SNAP RING,M125, Int

1шт.

20

26794680

BALL BEARING,70.00mm x 125.00 x 24.00mm

1шт.

21

5196487

OIL SEAL,80.00mm ID x 100.00 OD x 10.00mm

1шт.

22

14459881

O-RING,2.237" ID x 2.443" OD x 0.103"

1шт.

23

47132123

SHAFT

Driven, ASSY, Incl 24, 25

1шт.

24

NSS

NOT SOLD SEPARAT

Shaft, Incl in 23

1шт.

25

5179204

PLUG,20.27mm OD x 6.38mm W

1шт.

Выбрано товаров: 25