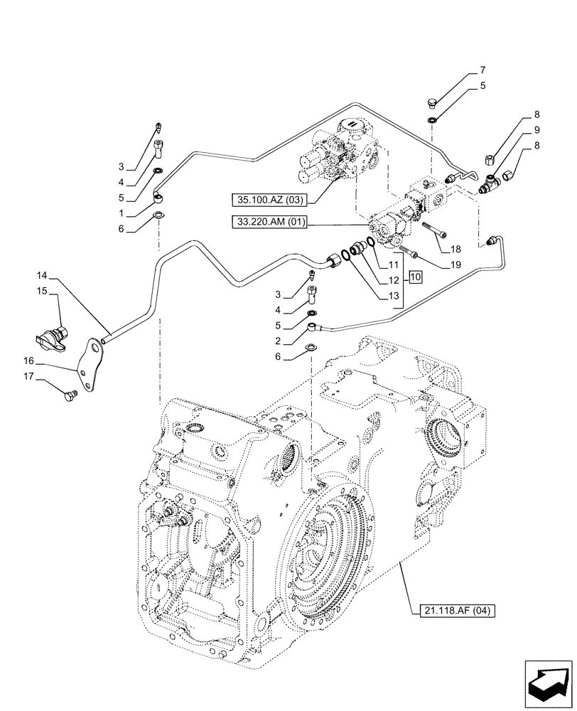
Запчасти Case IH PUMA 185 CVT (33.202.AP[06]) - VAR - 758037, 758039 - TRAILER BRAKE, LINE, CVT (33) - BRAKES & CONTROLS

Схема запчастей Case IH PUMA 185 CVT - (33.202.AP[06]) - VAR - 758037, 758039 - TRAILER BRAKE, LINE, CVT (33) - BRAKES & CONTROLS
21.118.af (04)
17
4
5
6
14
13
18
33.220.am (01)
10
35.100.az (03)
5
7
19
12
8
2
15
4
3
1
8
9
3
5
6
11
16
FIT
1:1
100%

Артикул

Название

Примечание

Количество

1

84326329

PIPE

LH, Brake

1шт.

2

87608326

BRAKE LINE

RH, Brake

1шт.

3

5153030

BLEED SCREW,Bleeder, Hex, M8 x 1.25 x 25mm

2шт.

4

5155679

BLEEDER VALVE,M12 x 1.25 x 27mm

2шт.

5

5183780

SEALING WASHER,9.73mm ID x 18mm OD x 1.5mm Thk

3шт.

6

5155678

GASKET,12.2mm ID x 17mm OD x 5mm Thk

2шт.

7

47131496

PLUG,Hex, M12 x 1

1шт.

8

9625546

CAP,11/16" - 16 ORFS

2шт.

9

87521154

HYD CONNECTOR,M12 x 1, ORB 11/16"-16 ORFS

M12 x 1 ORB 11/16"-16 ORFS

1шт.

10

86579676

HYD CONNECTOR,13/16" - 16 ORFS x M18 x 1.5 ORB

ASSY, Incl 11 - 13

1шт.

11

9992298

O-RING,0.07" Thk x 0.489" ID, -14, Cl 6, 90 Duro

1шт.

12

NSS

NOT SOLD SEPARAT

Connector, Incl in 10

1шт.

13

86598101

O-RING,2.2mm Thk x 15.3mm ID, Cl 6, 90 Duro

1шт.

14

87608334

TUBE

TBV

1шт.

15

44015354

QUICK MALE COUPLING

1шт.

16

5196322

BRACKET

1шт.

17

15540231

SCREW,Hex, M12 x 1.25 x 20mm, Cl 10.9, Full Thd

2шт.

18

14308920

HEX SOC SCREW,M8 x 60mm, Cl 8.8

2шт.

19

14306731

HEX SOC SCREW,M8 x 1.25 x 40mm, Cl 10.9, Full Thd

1шт.

Выбрано товаров: 19