Запчасти Case IH PUMA 185 CVT (33.202.AP[10]) - VAR - 337482, 337491 - TRAILER BRAKE, LINE, CVT (33) - BRAKES & CONTROLS

Схема запчастей Case IH PUMA 185 CVT - (33.202.AP[10]) - VAR - 337482, 337491 - TRAILER BRAKE, LINE, CVT (33) - BRAKES & CONTROLS
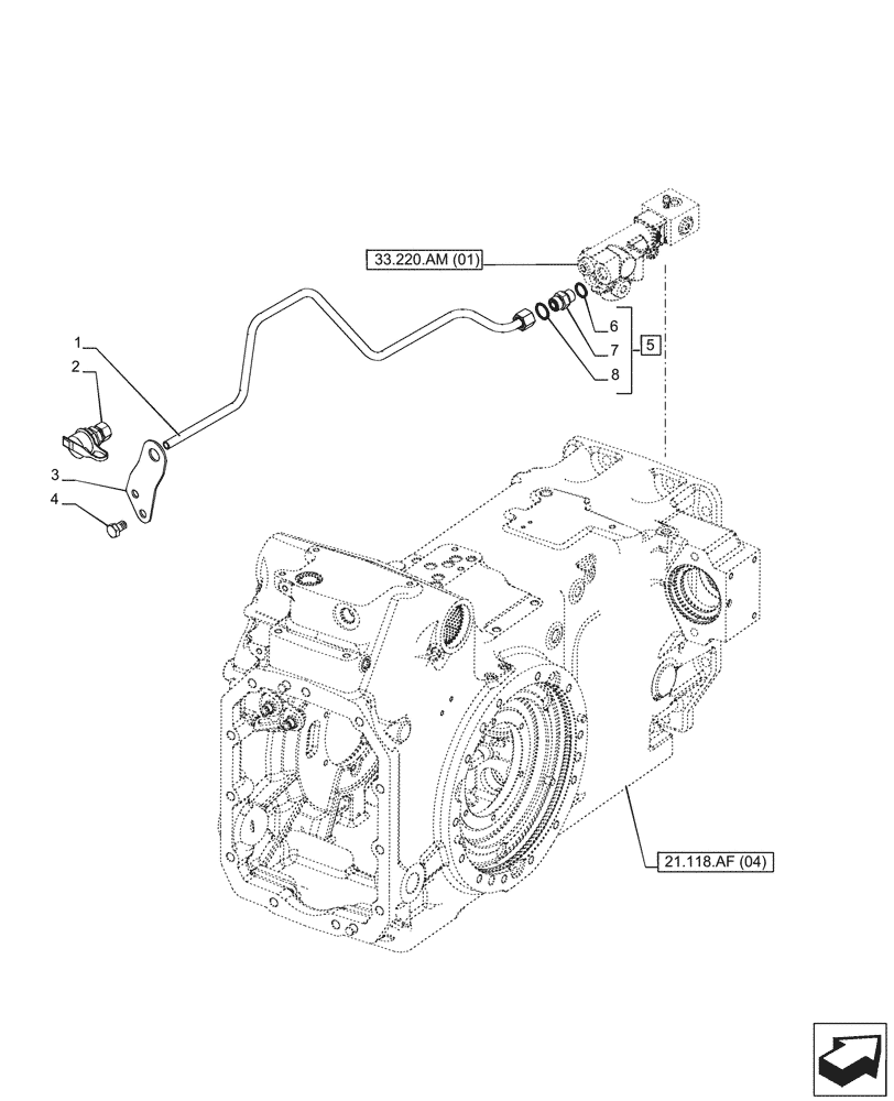
21.118.af (04)
6
7
4
8
2
5
1
3
33.220.am (01)
FIT
1:1
100%

Артикул

Название

Примечание

Количество

1

87608334

TUBE

1шт.

2

44015354

QUICK MALE COUPLING

1шт.

3

5196322

BRACKET

1шт.

4

15540231

SCREW,Hex, M12 x 1.25 x 20mm, Cl 10.9, Full Thd

2шт.

5

86579676

HYD CONNECTOR,13/16" - 16 ORFS x M18 x 1.5 ORB

ASSY, Incl 6 - 8

1шт.

6

9992298

O-RING,0.07" Thk x 0.489" ID, -14, Cl 6, 90 Duro

1шт.

7

NSS

NOT SOLD SEPARAT

Connector, Incl in 5

1шт.

8

86598101

O-RING,2.2mm Thk x 15.3mm ID, Cl 6, 90 Duro

1шт.

Выбрано товаров: 8