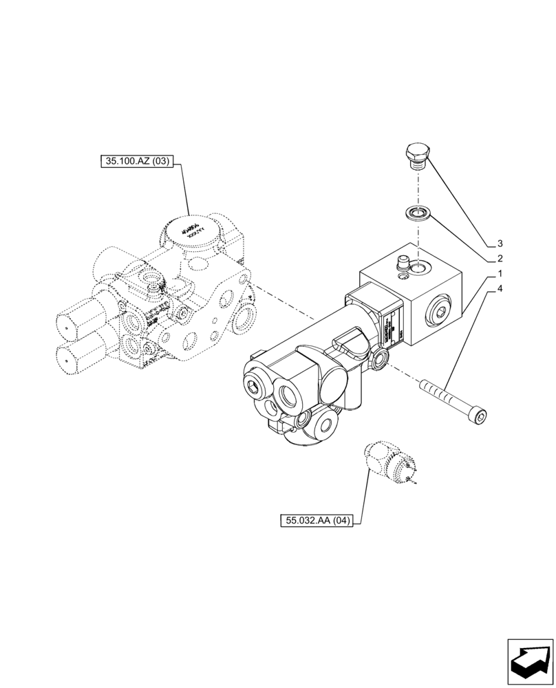
Запчасти Case IH PUMA 185 CVT (33.220.AM[03]) - VAR - 758042 - BRAKE VALVE (33) - BRAKES & CONTROLS

Схема запчастей Case IH PUMA 185 CVT - (33.220.AM[03]) - VAR - 758042 - BRAKE VALVE (33) - BRAKES & CONTROLS
2
1
3
35.100.az (03)
4
55.032.aa (04)
FIT
1:1
100%

Артикул

Название

Примечание

Количество

1

87607363

BRAKE VALVE

1шт.

2

5183780

SEALING WASHER,9.73mm ID x 18mm OD x 1.5mm Thk

1шт.

3

47131496

PLUG,Hex, M12 x 1

1шт.

4

14308921

HEX SOC SCREW,M8 x 60mm, Cl 8.8

3шт.

Выбрано товаров: 4