Запчасти Case IH PUMA 185 CVT (33.350.AQ[01]) - VAR - 337484, 337487 - ANTILOCK BRAKING SYSTEM (ABS), QUICK COUPLER, ITALY (33) - BRAKES & CONTROLS

Схема запчастей Case IH PUMA 185 CVT - (33.350.AQ[01]) - VAR - 337484, 337487 - ANTILOCK BRAKING SYSTEM (ABS), QUICK COUPLER, ITALY (33) - BRAKES & CONTROLS
37.100.af (01)
9
12
6
6
8
11
2
5
10
4
1
7
5
12
7
3
11
33.350.at (03)
4
FIT
1:1
100%

Артикул

Название

Примечание

Количество

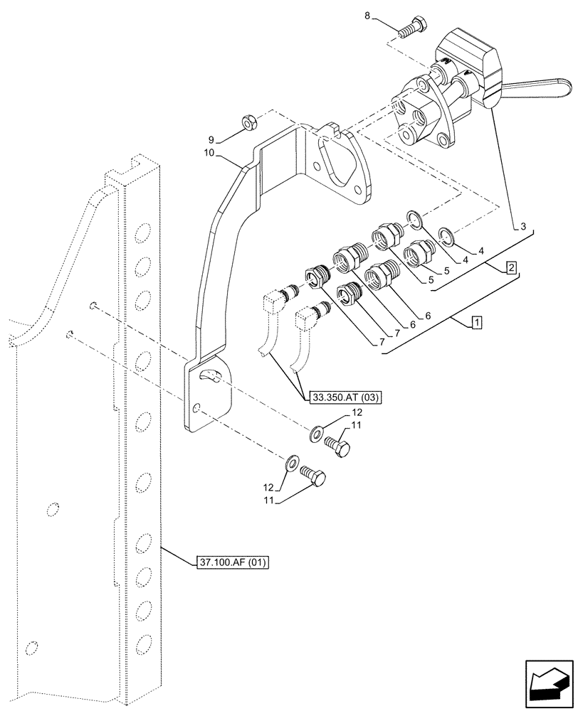
1

87692946

PUSH-PULL COUPLING

ASSY, Incl 2 - 7

1шт.

2

87692947

PUSH-PULL COUPLING

ASSY, Incl 3 - 5

1шт.

3

87693018

COUPLING

Coupling, Incl in 2

1шт.

4

87692948

WASHER,18.0mm ID x 25mm OD x 1.5mm Thk, Aluminum

2шт.

5

87692949

FITTING,M22 x 1.5 x M18 x 1.5

2шт.

6

87679177

ADAPTER

2шт.

7

82034157

ADAPTER

2шт.

8

11106421

SCREW,Hex, M10 x 1.5 x 30mm, Cl 8.8

3шт.

9

100016

NUT,M10 x 1.5, Cl 8

3шт.

10

47620067

BRACKET

1шт.

11

11106221

SCREW,Hex, M10 x 25mm, Cl 8.8, Full Thd

2шт.

12

14496601

WASHER,10.5mm ID x 21mm OD x 2mm Thk

2шт.

Выбрано товаров: 12