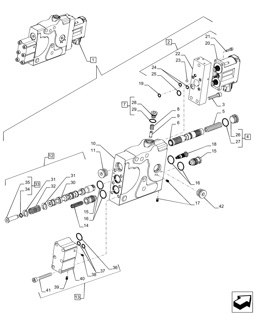
Запчасти Case IH PUMA 185 CVT (35.204.BE[16]) - VAR - 391165, 758059, 758060, 758061 - CONTROL VALVE SECTION, COMPONENTS (35) - HYDRAULIC SYSTEMS

Схема запчастей Case IH PUMA 185 CVT - (35.204.BE[16]) - VAR - 391165, 758059, 758060, 758061 - CONTROL VALVE SECTION, COMPONENTS (35) - HYDRAULIC SYSTEMS
17
27
7
14
21
31
31
29
32
37
6
16
35
11
4
3
24
13
15
26
33
42
40
9
12
15
22
18
39
23
19
25
30
20
41
2
16
36
34
5
10
1
38
8
28
FIT
1:1
100%

Артикул

Название

Примечание

Количество

1

47594400

HYDRAULIC VALVE

ASSY, Incl 2 - 18

1шт.

2

47643920

PILOT VALVE

ASSY, Incl 19 - 25

1шт.

3

864-8040

HEX SOC SCREW,M8 x 40mm, Cl 8.8

3шт.

4

47426874

PLUG,7/8" - 14

ASSY, Incl 26, 27

1шт.

5

436854A1

SPRING,15.11mm OD x 63.35mm L

1шт.

6

47434055

SPOOL,15.9mm ID x 18.75mm OD x 133.6mm L

Pressure

1шт.

7

87648607

PLUG,M12 x 1.5 ORB

Load Sense, ASSY, Incl 28, 29

1шт.

8

87648596

SPRING,3.81mm OD x 23.19mm L

Load Sense

1шт.

9

87648631

PIN,8mm OD x 19mm L

Load Sense

1шт.

10

NSS

NOT SOLD SEPARAT

Housing, Incl in 1

1шт.

11

86625138

PLUG,7/18" - 14

1шт.

12

47499449

SPOOL

ASSY, Incl 30 - 33

1шт.

13

87329482

VALVE BODY

ASSY, Incl 36 - 41

1шт.

14

87437167

VALVE SPRING,8.08mm ID x 10.92mm OD x 53.27mm L

Lock Check

2шт.

15

47640123

POPPET

Lock Check

2шт.

16

47422966

SEAL,23.52mm ID x 1.78mm Thk

4шт.

17

84579020

PLUG,1.81" - 2.75"

5шт.

18

84307011

CHECK VALVE

1шт.

19

47711752

O-RING,1.78mm Thk x 9.25mm ID, -012, 80 Duro

1шт.

20

47644017

PILOT VALVE

1шт.

21

14304324

HEX SOC SCREW,M5 x 20mm, Cl 8.8, Full Thd

4шт.

22

NSS

NOT SOLD SEPARAT

Cover, Incl in 2

1шт.

23

87714123

FILTER

1шт.

24

87722012

O-RING,2.62mm Thk x 4.42mm ID, -106, 80 Duro

4шт.

25

84313724

O-RING,12.42mm ID x 1.78mm Thk

1шт.

26

NSS

NOT SOLD SEPARAT

Plug, Incl in 4

1шт.

27

237-6010

O-RING,0.097" Thk x 0.755" ID, -910, Cl 6, 90 Duro

1шт.

28

NSS

NOT SOLD SEPARAT

Plug, Incl in 7

1шт.

29

637-63093

O-RING,2.2mm Thk x 9.3mm ID, Cl 6, 90 Duro

1шт.

30

NSS

NOT SOLD SEPARAT

Plug, Incl in 12

1шт.

31

87437168

WASHER,11.75mm ID x 21mm OD x 1.5mm Thk

2шт.

32

47423002

SPRING,17.6mm OD x 45.86mm L

1шт.

33

47426760

PLUG,5/16" - 24

ASSY, Incl 34, 35

1шт.

34

NSS

NOT SOLD SEPARAT

Plug, Incl in 33

1шт.

35

237-6002

O-RING,0.064" Thk x 0.239" ID, -902, Cl 6, 90 Duro

1шт.

36

87635378

O-RING,1.78mm Thk x 5.28mm ID, -9, 80 Duro

1шт.

37

87635377

O-RING,1.78mm Thk x 2.9mm ID, -6, 80 Duro

2шт.

38

282836A1

PLUG,4mm OD x 4mm L

2шт.

39

282839A1

PLUG,8mm OD x 8.5mm L

1шт.

40

NSS

NOT SOLD SEPARAT

Cover, Incl in 13

1шт.

41

864-8065

HEX SOC SCREW,M8 x 65mm, Cl 8.8

6шт.

42

221573A1

PLUG,Hex Soc, M12 x 1.5, ORB

1шт.

Выбрано товаров: 42