Запчасти Case IH PUMA 185 CVT (35.300.AB[01]) - VAR - 758091 - 3 POINT HITCH, FRONT, OIL COOLER (35) - HYDRAULIC SYSTEMS

Схема запчастей Case IH PUMA 185 CVT - (35.300.AB[01]) - VAR - 758091 - 3 POINT HITCH, FRONT, OIL COOLER (35) - HYDRAULIC SYSTEMS
37.162.ae (03)
3
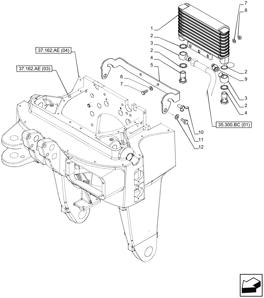
7
2
11
4
3
10
8
2
6
5
4
7
2
2
1
12
9
37.162.ae (04)
35.300.bc (01)
FIT
1:1
100%

Артикул

Название

Примечание

Количество

1

84123878

OIL COOLER

1шт.

2

5165897

SEALING WASHER,22.7mm ID x 30mm OD x 2mm Thk

4шт.

3

84177636

HYD CONNECTOR

2шт.

4

87662204

BANJO BOLT

2шт.

5

84467125

BRACKET

1шт.

6

14496501

WASHER,8.4mm ID x 17mm OD x 1.6mm Thk

4шт.

7

120104

BOLT,Hex, M8 x 1.25 x 20mm, Cl 8.8

2шт.

8

9706690

NUT,M8 x 1.25, Cl 8

2шт.

9

84278114

FITTING

1шт.

10

84486618

SCREW

2шт.

11

43138

BOLT,Hex, M10 x 1.5 x 20mm, Cl 8.8

2шт.

12

86624176

WASHER,11mm ID x 20mm OD x 2mm Thk

2шт.

Выбрано товаров: 0