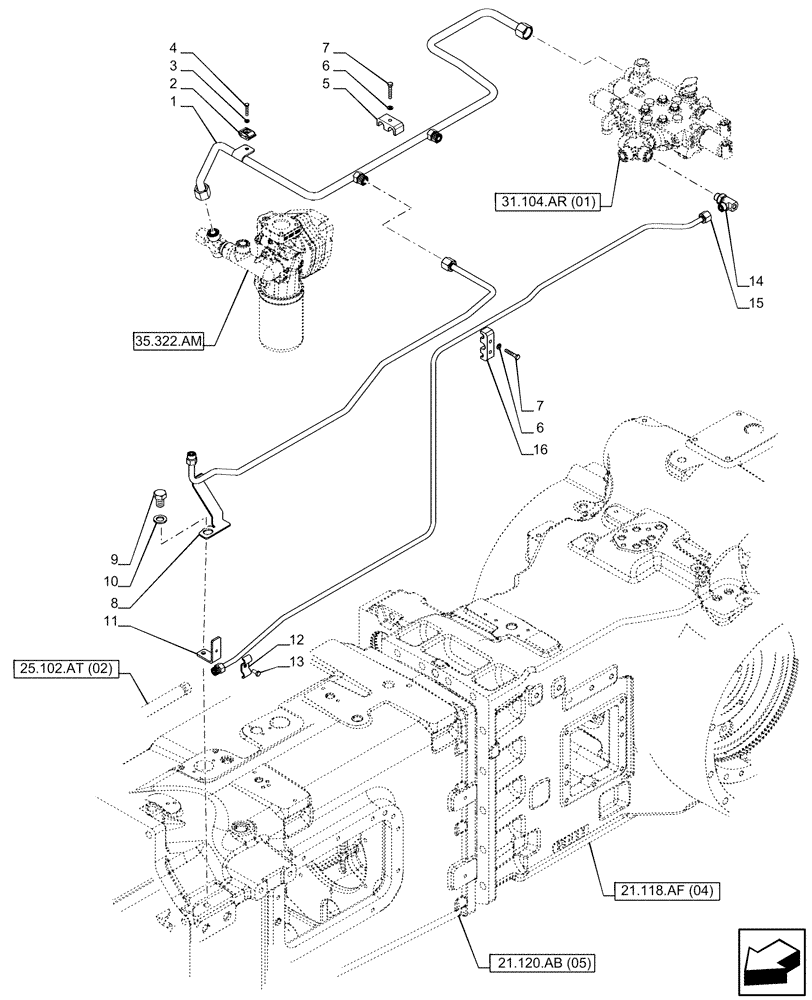
Запчасти Case IH PUMA 185 CVT (35.322.AY[06]) - VAR - 337427, 337433, 391138, 758022 - TRANSMISSION, LOW PRESSURE, LINE (35) - HYDRAULIC SYSTEMS

Схема запчастей Case IH PUMA 185 CVT - (35.322.AY[06]) - VAR - 337427, 337433, 391138, 758022 - TRANSMISSION, LOW PRESSURE, LINE (35) - HYDRAULIC SYSTEMS
21.118.af (04)
6
8
13
9
15
7
14
6
2
3
11
10
7
4
5
16
1
12
31.104.ar (01)
21.120.ab (05)
25.102.at (02)
35.322.am
FIT
1:1
100%

Артикул

Название

Примечание

Количество

1

47567884

PIPE

Supply

1шт.

2

87738904

CLAMP BRACKET

1шт.

3

9824326

WASHER,5.3mm ID x 10mm OD x 1mm Thk

1шт.

4

10978221

BOLT,Hex, M5 x 25mm, Cl 8.8, Full Thd

1шт.

5

87608306

CLAMP BRACKET

1шт.

6

11197779

BELLEVILLE WASHER,M6 Bolt Size x 12mm OD x 1.2mm Thk

3шт.

7

86977789

BOLT,Hex, M6 x 1.0 x 35mm, Cl 8.8

3шт.

8

47678481

PIPE

Booster Brake

1шт.

9

374888

BOLT,Hex, M16 x 2 x 25mm, Cl 8.8, Full Thd

1шт.

10

10520205

WASHER,Flat, 16.40mm ID x 28.00mm OD x 3.00mm, CST, ZND

1шт.

11

87567663

BRACKET

1шт.

12

87567664

CLAMP BRACKET

1шт.

13

10902121

SCREW,Hex, M6 x 14mm, Cl 8.8

1шт.

14

5195456

HYD CONNECTOR

1шт.

15

87758497

HYD TUBE

Front Differential Lock

1шт.

16

87608152

CLAMP BRACKET

1шт.

Выбрано товаров: 16