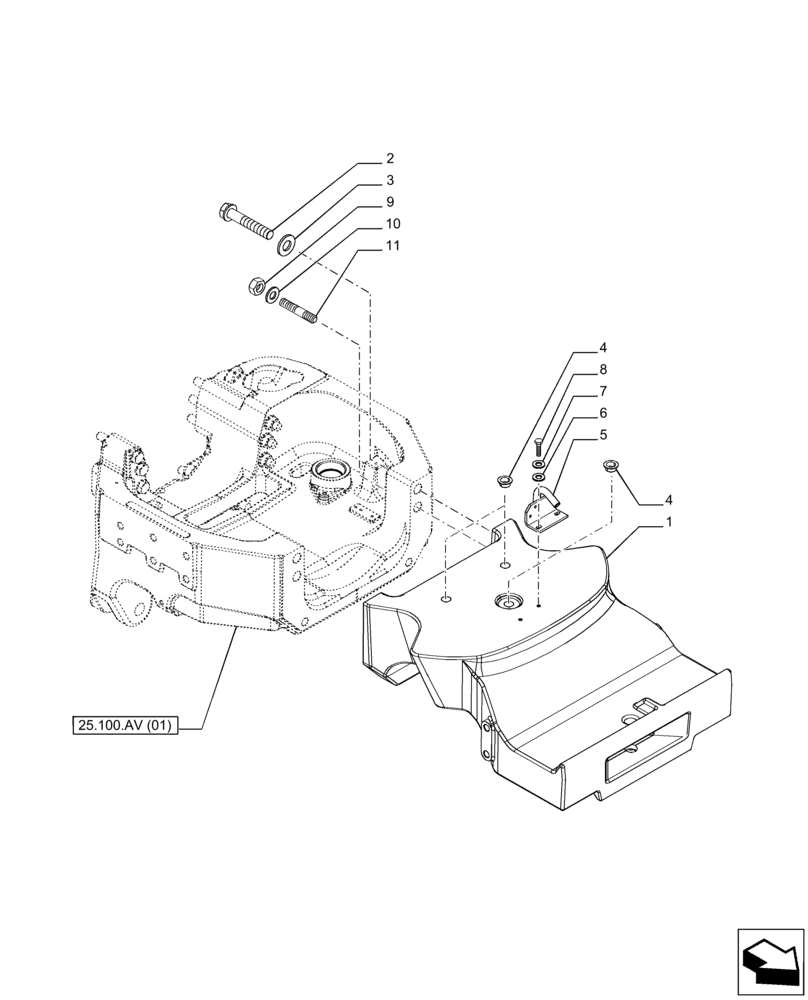
Запчасти Case IH PUMA 185 CVT (39.140.AF[01]) - VAR - 758095, 758097, 758098 - FRONT WEIGHT (39) - FRAMES AND BALLASTING

Схема запчастей Case IH PUMA 185 CVT - (39.140.AF[01]) - VAR - 758095, 758097, 758098 - FRONT WEIGHT (39) - FRAMES AND BALLASTING
25.100.av (01)
2
10
5
9
11
4
3
6
1
8
7
4
FIT
1:1
100%

Артикул

Название

Примечание

Количество

1

84232750

WEIGHT CARRIER

138kg

1шт.

2

87329682

BOLT,Hex, M24 x 140mm, Cl 10.9

M24 x 140

4шт.

3

87343481

WASHER,25mm ID x 44mm OD x 4mm Thk

24 x 44 x 4

4шт.

4

87305541

PLASTIC PLUG,26.00mm, 36.00mm OD, 16.00mm D

3шт.

5

87305756

BRACKET

1шт.

6

12646704

WASHER,8.15mm ID x 20mm OD x 2mm Thk

2шт.

7

10516674

LOCK WASHER,M8

2шт.

8

120104

BOLT,Hex, M8 x 1.25 x 20mm, Cl 8.8

2шт.

9

12163524

NUT

M20

2шт.

10

11191774

BELLEVILLE WASHER,M20 Bolt Size x 38mm OD x 4.6mm Thk

2шт.

11

87302582

STUD

2шт.

Выбрано товаров: 11