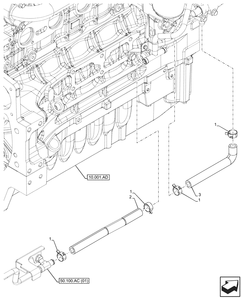
Запчасти Case IH PUMA 185 CVT (50.100.AC[02]) - VAR - 337481, 337482, 337484, 337487, 337488, 337491 - HEATER, LINE (50) - CAB CLIMATE CONTROL

Схема запчастей Case IH PUMA 185 CVT - (50.100.AC[02]) - VAR - 337481, 337482, 337484, 337487, 337488, 337491 - HEATER, LINE (50) - CAB CLIMATE CONTROL
10.001.ad
2
1
1
1
3
1
50.100.ac (01)
FIT
1:1
100%

Артикул

Название

Примечание

Количество

1

82019905

HOSE CLAMP,22 - 26mm X 12mm

4шт.

2

47720880

HEATER HOSE

From Pump to engine

1шт.

3

47516176

HEATER HOSE

Heater

1шт.

Выбрано товаров: 3