Запчасти Case IH PUMA 185 CVT (55.130.AD) - VAR - 391170, 758071, 758072, 758074, 758075, 758076, 758077, 758079, 758080, 758081, 758083 - 3 HITCH POINT, SENSOR (55) - ELECTRICAL SYSTEMS

Схема запчастей Case IH PUMA 185 CVT - (55.130.AD) - VAR - 391170, 758071, 758072, 758074, 758075, 758076, 758077, 758079, 758080, 758081, 758083 - 3 HITCH POINT, SENSOR (55) - ELECTRICAL SYSTEMS
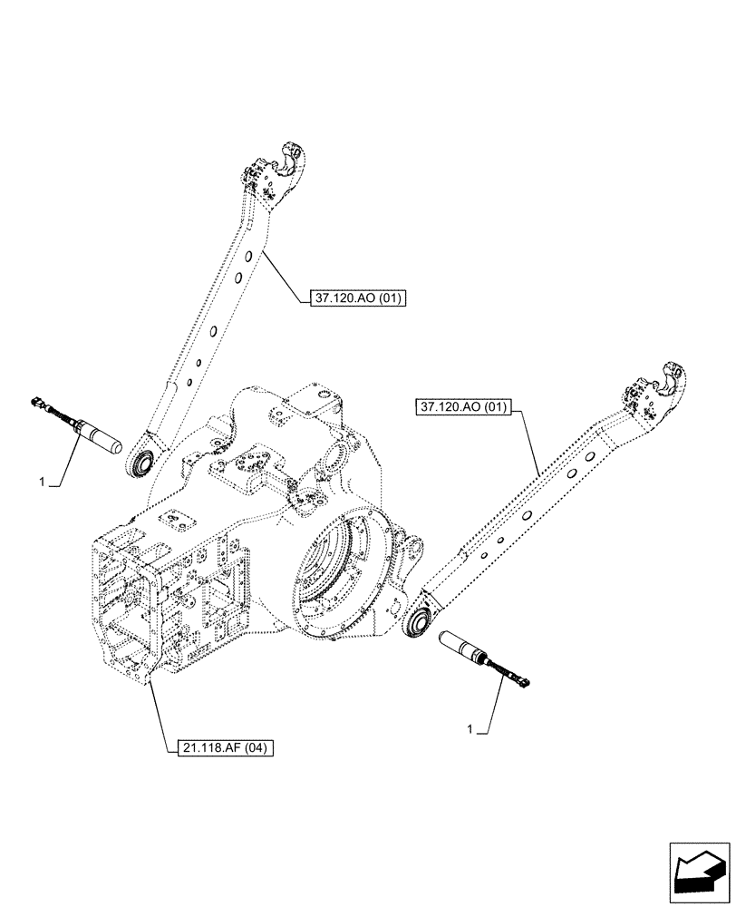
21.118.af (04)
1
1
37.120.ao (01)
37.120.ao (01)
FIT
1:1
100%

Артикул

Название

Примечание

Количество

1

87661279

SENSOR

2шт.

Выбрано товаров: 1