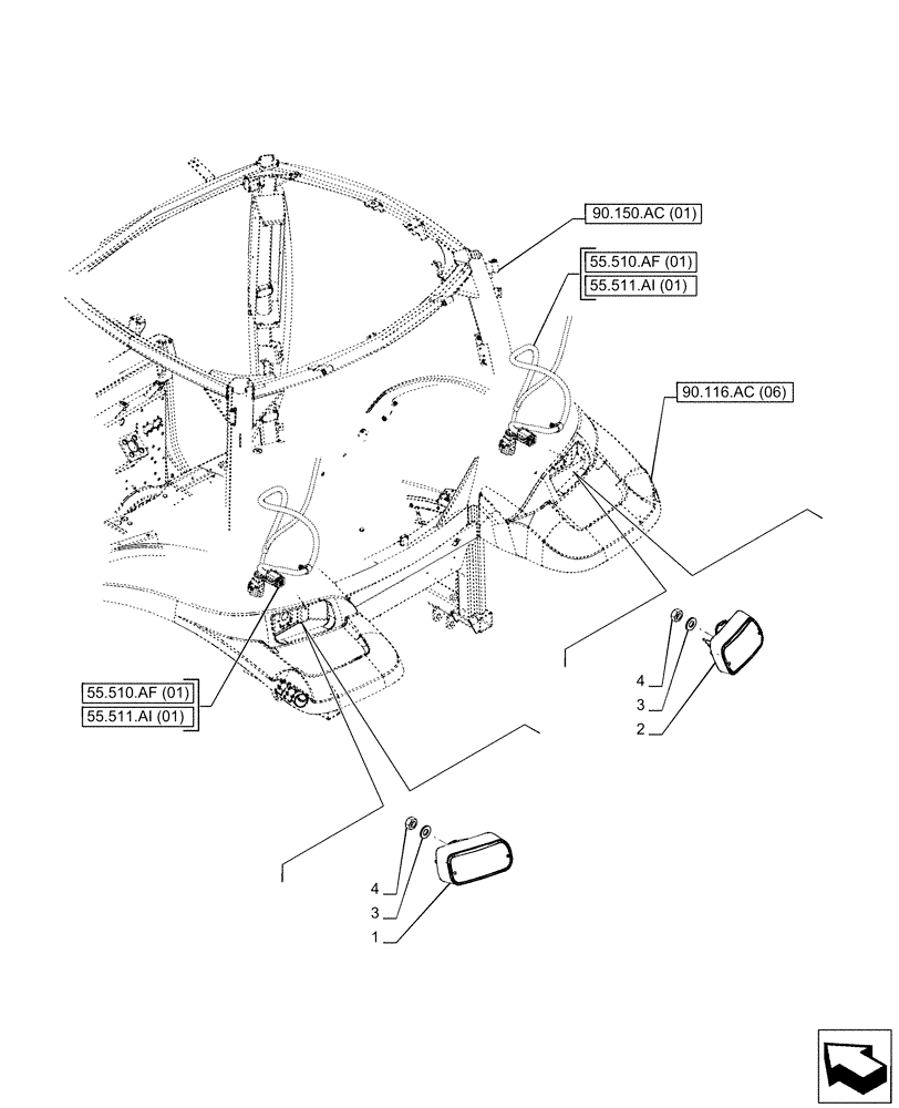
Запчасти Case IH PUMA 185 CVT (55.404.BM[03]) - VAR - 758181, 758182, 758183, 758339, 758340, 758341 - TAIL LAMP (55) - ELECTRICAL SYSTEMS

Схема запчастей Case IH PUMA 185 CVT - (55.404.BM[03]) - VAR - 758181, 758182, 758183, 758339, 758340, 758341 - TAIL LAMP (55) - ELECTRICAL SYSTEMS
4
3
55.510.af (01)
90.116.ac (06)
55.510.af (01)
2
4
90.150.ac (01)
3
55.511.ai (01)
55.511.ai (01)
1
FIT
1:1
100%

Артикул

Название

Примечание

Количество

1

87536435

TAIL LAMP,12V, 21W, Amber/Red

LH

1шт.

2

87536434

TAIL LAMP,12V, 21W, Amber/Red

RH

1шт.

3

14496401

WASHER,M6.4 x 12.00mm x 1.60mm

4шт.

4

15896211

NUT,M6, Cl 8

4шт.

Выбрано товаров: 4