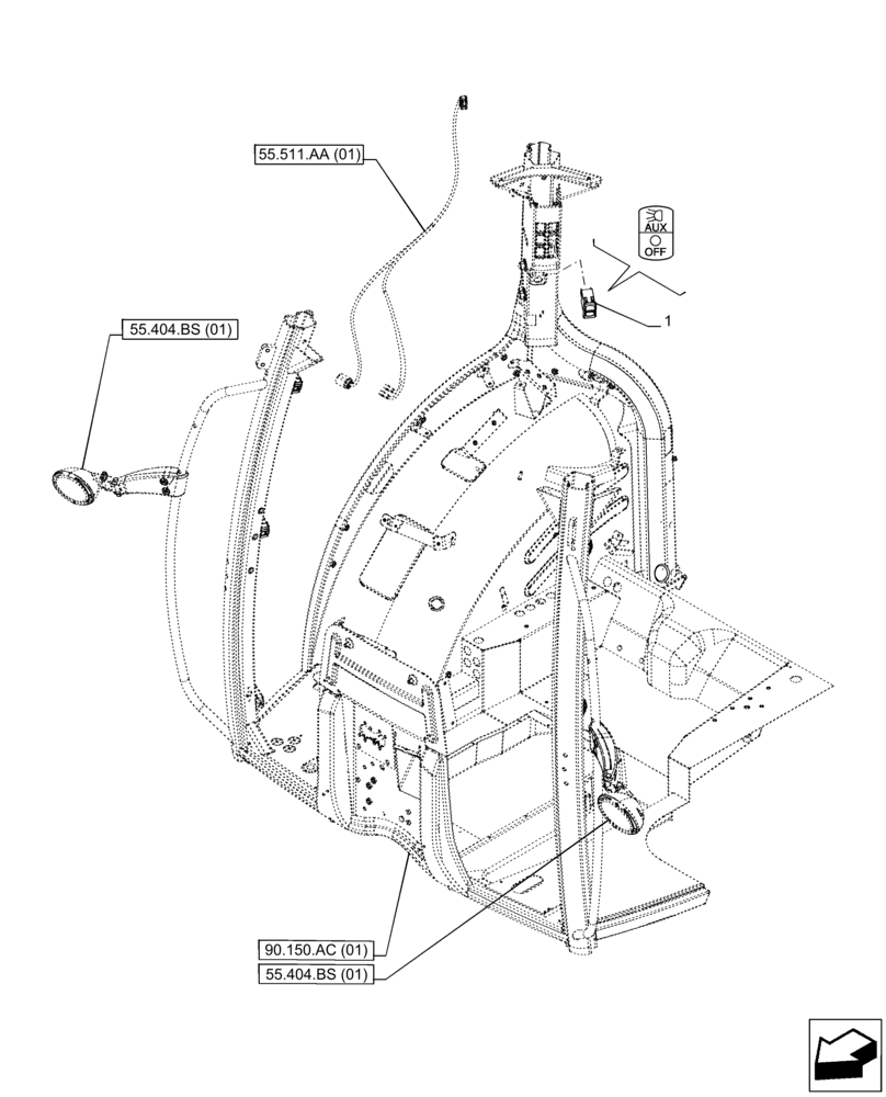
Запчасти Case IH PUMA 185 CVT (55.405.CI) - VAR - 758165, 758166 - WORK LIGHT, SWITCH (55) - ELECTRICAL SYSTEMS

Схема запчастей Case IH PUMA 185 CVT - (55.405.CI) - VAR - 758165, 758166 - WORK LIGHT, SWITCH (55) - ELECTRICAL SYSTEMS
1
55.404.bs (01)
55.511.aa (01)
90.150.ac (01)
55.404.bs (01)
FIT
1:1
100%

Артикул

Название

Примечание

Количество

1

82029647

SWITCH ASSY

AUX H/LAMPS

1шт.

Выбрано товаров: 1