Запчасти Case IH PUMA 185 CVT (55.510.AB) - VAR - 391130, 758000 - POWER UNIT, HARNESS (55) - ELECTRICAL SYSTEMS

Схема запчастей Case IH PUMA 185 CVT - (55.510.AB) - VAR - 391130, 758000 - POWER UNIT, HARNESS (55) - ELECTRICAL SYSTEMS
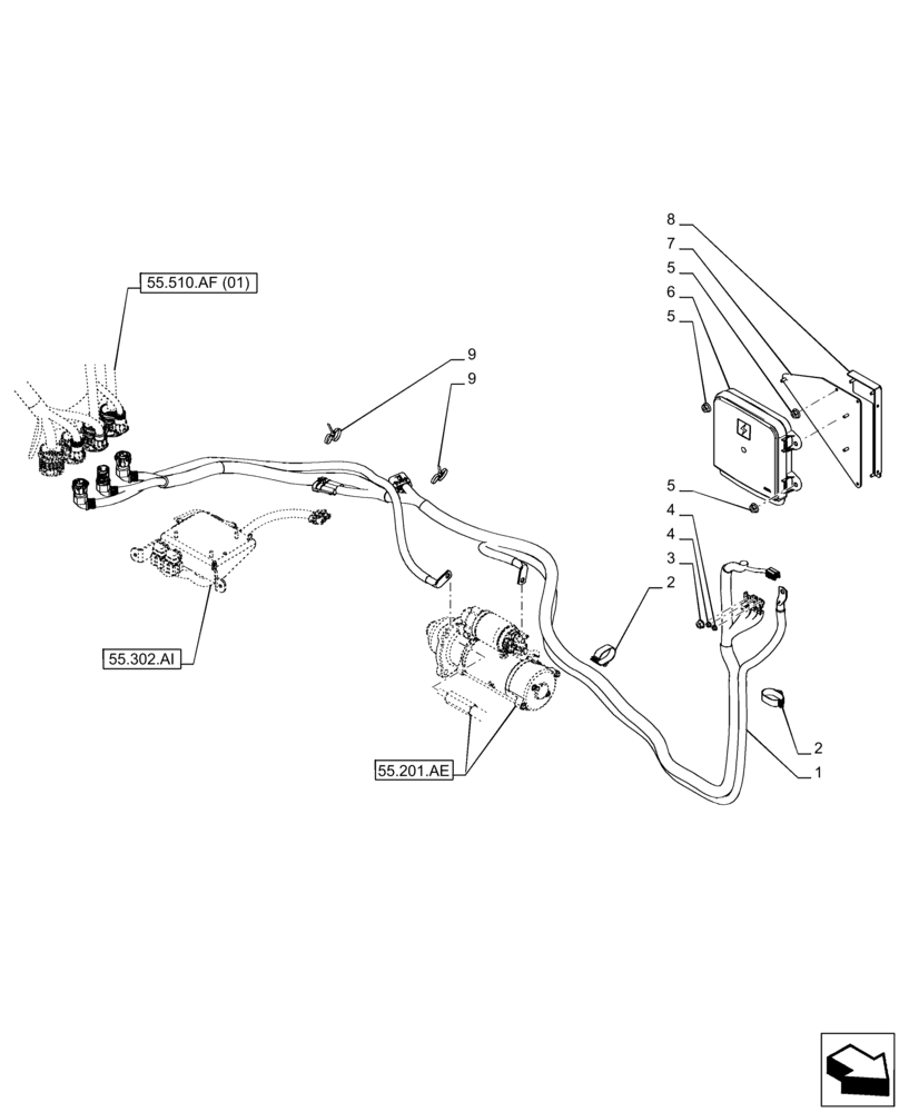
9
55.510.af (01)
2
9
55.201.ae
4
8
2
1
6
5
5
4
55.302.ai
3
7
5
FIT
1:1
100%

Артикул

Название

Примечание

Количество

1

47662218

WIRE HARNESS

Main Power

1шт.

2

14560287

CABLE TIE,207.00mm L

2шт.

3

9804277

FLANGE NUT,Hex, M8 x 1.25, Cl 8

1шт.

4

86512495

FLANGE NUT,Hex, M5, Cl 8

2шт.

5

9804276

FLANGE NUT,Hex, M6 x 1, Cl 8

6шт.

6

47581643

FUSE BOX

1шт.

7

47424641

BRACKET

1шт.

8

47424636

BRACKET

1шт.

9

82013031

CABLE TIE,193mm L

4шт.

Выбрано товаров: 9