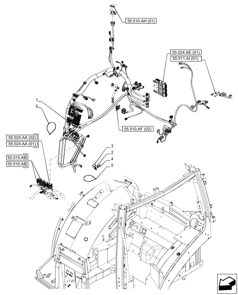
Запчасти Case IH PUMA 185 CVT (55.510.AF[01]) - VAR - 332722, 332723, 392114, 392115 - CAB MAIN WIRE HARNESS (55) - ELECTRICAL SYSTEMS

Схема запчастей Case IH PUMA 185 CVT - (55.510.AF[01]) - VAR - 332722, 332723, 392114, 392115 - CAB MAIN WIRE HARNESS (55) - ELECTRICAL SYSTEMS
5
55.024.ae (01)
55.510.af (02)
55.024.aa (01)
55.511.ai (01)
4
55.024.aa (02)
5
3
2
55.510.ah (01)
55.015.ab
1
55.510.ab
FIT
1:1
100%

Артикул

Название

Примечание

Количество

1

47662232

WIRE HARNESS

Cab, Garu

1шт.

2

14496501

WASHER,8.4mm ID x 17mm OD x 1.6mm Thk

1шт.

3

9706748

CLAMP,15.9mm, Coat, 8.7mm Bolt Hole, P Type

1шт.

4

9706690

NUT,M8 x 1.25, Cl 8

1шт.

5

82001041

CABLE TIE,0.190" x 7.00" / 200 mm L

2шт.

Выбрано товаров: 5