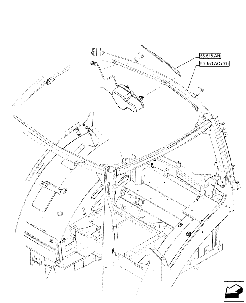
Запчасти Case IH PUMA 185 CVT (55.518.AI) - REAR, WIPER MOTOR, CAB (55) - ELECTRICAL SYSTEMS

Схема запчастей Case IH PUMA 185 CVT - (55.518.AI) - REAR, WIPER MOTOR, CAB (55) - ELECTRICAL SYSTEMS
90.150.ac (01)
1
55.518.ah
FIT
1:1
100%

Артикул

Название

Примечание

Количество

1

47508381

WIPER MOTOR,12V

12V

1шт.

Выбрано товаров: 1