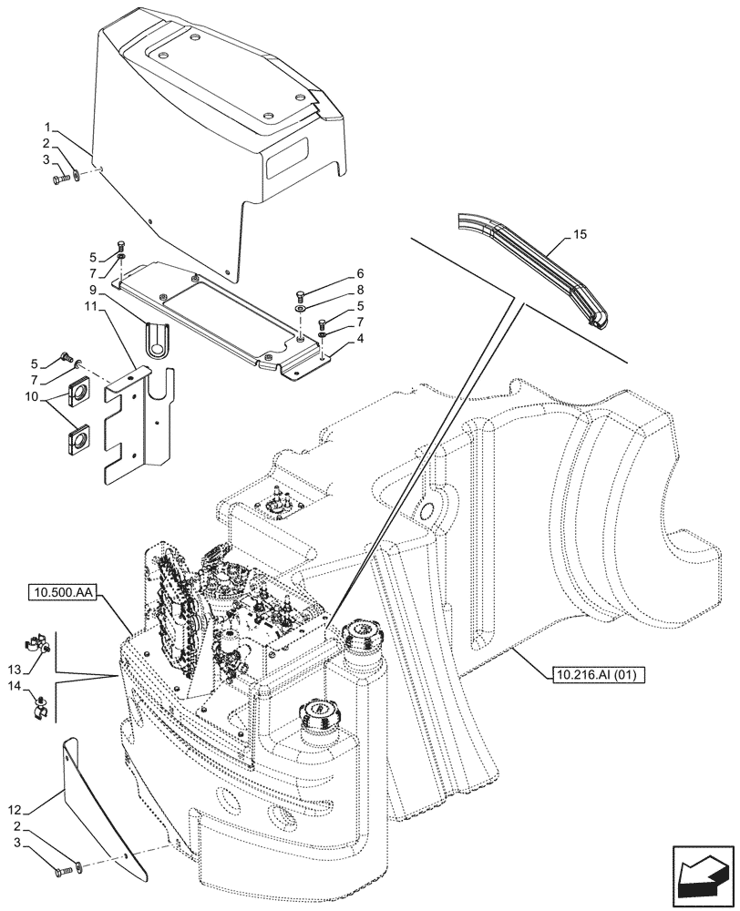
Запчасти Case IH PUMA 185 CVT (10.216.AI[05]) - VAR - 391131, 758001 - FUEL TANK, COVER (10) - ENGINE

Схема запчастей Case IH PUMA 185 CVT - (10.216.AI[05]) - VAR - 391131, 758001 - FUEL TANK, COVER (10) - ENGINE
10.500.aa
15
13
2
9
6
1
3
2
12
4
11
3
7
5
7
8
5
7
10
5
14
10.216.ai (01)
FIT
1:1
100%

Артикул

Название

Примечание

Количество

1

47377366

COVER

1шт.

2

12647621

WASHER,6.15mm ID x 16mm OD x 2mm Thk

5шт.

3

10902321

SCREW,Hex, M6 x 18mm, Cl 8.8, Full Thd

5шт.

4

47567233

SUPPORT

1шт.

5

16043221

BOLT,Hex, M8 x 16mm, Cl 8.8, Full Thd

5шт.

6

16043321

BOLT,Hex, M8 x 1.25 x 18mm, Cl 8.8, Full Thd

4шт.

7

86624184

WASHER,9mm ID x 16mm OD x 1.6mm Thk

5шт.

8

86625263

WASHER,9mm ID x 20mm OD x 1.6mm Thk

4шт.

9

47381214

GROMMET,25mm ID x 91.5mm L, 50mm Width, Black

1шт.

10

47377358

GROMMET,25mm ID, Black

2шт.

11

47567263

PLATE

1шт.

12

47451519

COVER

1шт.

13

47578058

CLIP

1шт.

14

47578059

CLIP,10mm ID

1шт.

15

47649948

RUBBER STRIP

1шт.

Выбрано товаров: 15