Запчасти Case IH PUMA 185 CVT (10.216.BA[01]) - VAR - 391131, 758001 - FUEL TANK, LINE (10) - ENGINE

Схема запчастей Case IH PUMA 185 CVT - (10.216.BA[01]) - VAR - 391131, 758001 - FUEL TANK, LINE (10) - ENGINE
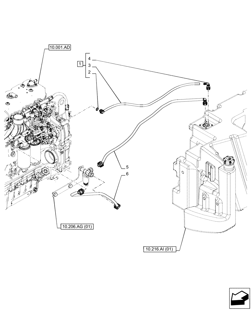
10.206.ag (01)
4
5
2
6
3
1
10.216.ai (01)
10.001.ad
FIT
1:1
100%

Артикул

Название

Примечание

Количество

1

84356045

FUEL TUBE,11mm OD X 750mm

From Tank to Engine, ASSY, Incl 2 - 4

1шт.

2

4894095

O-RING,2.5mm Thk x 8mm ID, 60 Duro

1шт.

3

NSS

NOT SOLD SEPARAT

Fuel Hose, Incl in 1

1шт.

4

84367132

FITTING,5/16'

1шт.

5

47440729

FUEL TUBE

From Tank to Filter

1шт.

6

47440769

FUEL TUBE

From Filter to Engine

1шт.

Выбрано товаров: 0