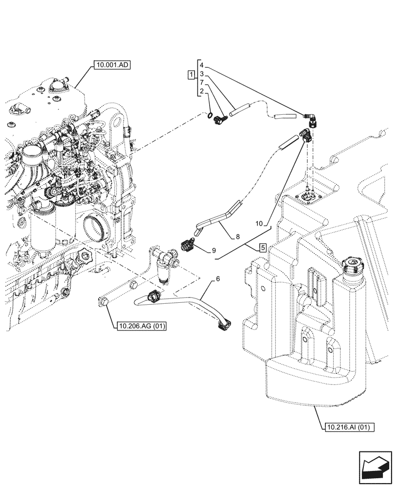
Запчасти Case IH PUMA 185 CVT (10.216.BA[03]) - VAR - 391131, 758001 - FUEL TANK, LINE, W/ABS (10) - ENGINE

Схема запчастей Case IH PUMA 185 CVT - (10.216.BA[03]) - VAR - 391131, 758001 - FUEL TANK, LINE, W/ABS (10) - ENGINE
10.206.ag (01)
5
2
10
9
4
7
1
3
6
8
10.001.ad
10.216.ai (01)
FIT
1:1
100%

Артикул

Название

Примечание

Количество

1

84535467

FLEXIBLE HOSE

ASSY, Incl 2 - 4, 7, Fuel Tube 11mm OD X 750mm, From Tank to Engine

1шт.

2

4894095

O-RING,2.5mm Thk x 8mm ID, 60 Duro

1шт.

3

NSS

NOT SOLD SEPARAT

Fuel Tube, Incl in 1

1шт.

4

84367132

FITTING,5/16'

1шт.

5

47834439

FUEL TUBE

ASSY, From Tank to Filter, Incl 8 - 10

1шт.

6

47440769

FUEL TUBE

From Filter to Engine

1шт.

7

84283283

FITTING,11.9mm D - 10.6mm D

1шт.

8

NSS

NOT SOLD SEPARAT

Tube, Incl in 5

1шт.

9

47440673

FITTING,15.9mm - 12.3mm D

1шт.

10

47440772

FITTING,90 Deg, 9.49mm - 3/8"mm D

1шт.

Выбрано товаров: 10