Запчасти Case IH PUMA 185 CVT (18.100.AF[01]) - VAR - 337427, 337433, 391138, 758022 - CLUTCH, PEDAL (18) - CLUTCH

Схема запчастей Case IH PUMA 185 CVT - (18.100.AF[01]) - VAR - 337427, 337433, 391138, 758022 - CLUTCH, PEDAL (18) - CLUTCH
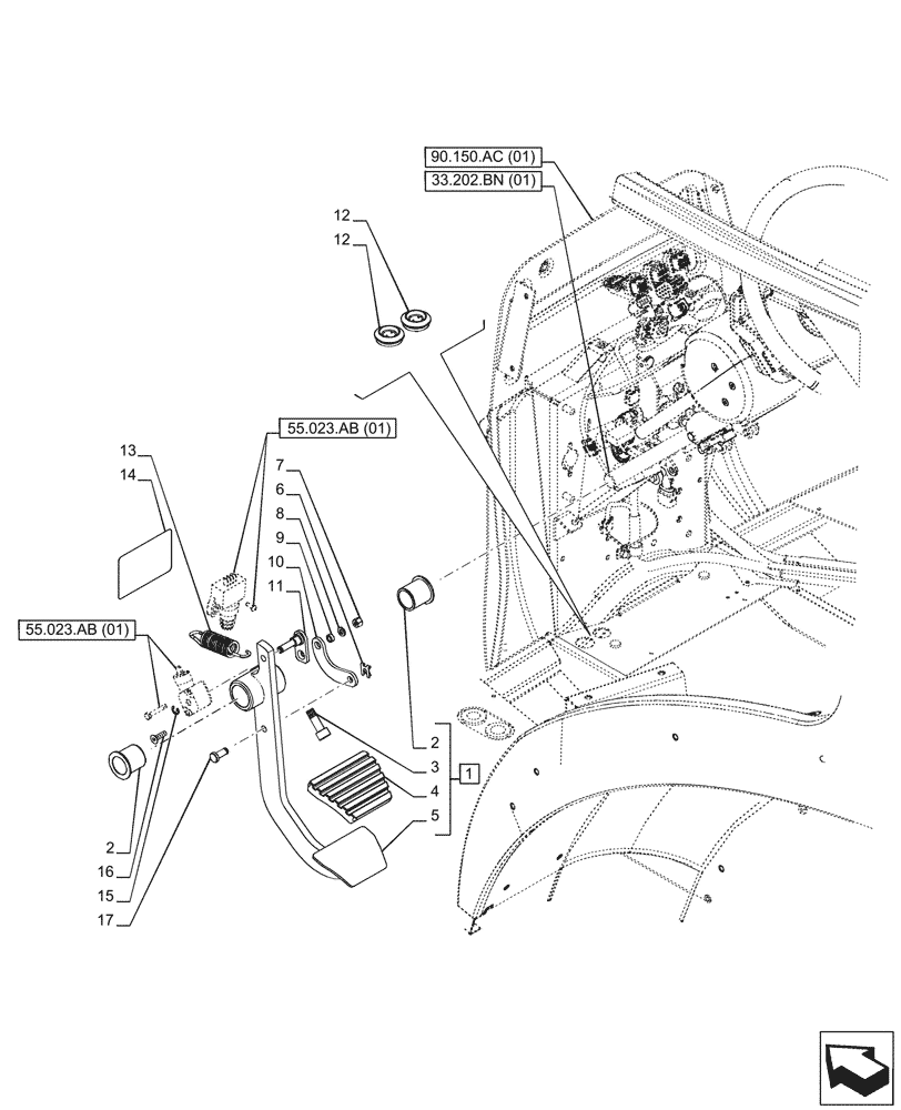
55.023.ab (01)
14
9
11
10
6
7
12
3
12
16
15
8
2
17
4
1
2
5
13
90.150.ac (01)
33.202.bn (01)
55.023.ab (01)
FIT
1:1
100%

Артикул

Название

Примечание

Количество

1

47410632

PEDAL

ASSY, Incl 2 - 5

1шт.

2

5155548

BUSHING,25mm ID x 31.05mm OD x 32mm L

2шт.

3

14307521

HEX SOC SCREW,M10 x 1.25 x 30mm, Cl 8.8, Full Thd

1шт.

4

82025747

RUBBER PEDAL PAD

1шт.

5

NSS

NOT SOLD SEPARAT

Pedal Electronic, Clutch, Incl in 1

1шт.

6

11064071

CLIP,M8 x 6 x 0.94mm

M8 x 6 x 0.94

1шт.

7

12574211

NUT,M6 x 1, Cl 8

1шт.

8

14496401

WASHER,M6.4 x 12.00mm x 1.60mm

1шт.

9

84487411

SPACER,6mm ID x 10mm OD x 4.4mm L

Clutch Pedal

1шт.

10

84482495

LINK

Clutch

1шт.

11

84482499

SHAFT,8mm OD x 42mm L

Clutch

1шт.

12

81862738

PLUG,M38 x 28 x 5mm

2шт.

13

84561533

SPRING,22.5mm OD x 99mm L

Brake Pedal Return

1шт.

14

82004409

DECAL

2шт.

15

11087876

CIRCLIP,M7

1шт.

16

14441421

SCREW,Flat Csk Hd, M6 x 20mm, Cl 8.8

1шт.

17

47409216

PIN,8mm OD x 23.7mm L

1шт.

Выбрано товаров: 17