Запчасти Case IH PUMA 185 CVT (21.109.AD[04]) - VAR - 337427, 337433, 391138, 758022, 759053 - TRANSMISSION, OIL COOLER, LINE (21) - TRANSMISSION

Схема запчастей Case IH PUMA 185 CVT - (21.109.AD[04]) - VAR - 337427, 337433, 391138, 758022, 759053 - TRANSMISSION, OIL COOLER, LINE (21) - TRANSMISSION
10.001.ad
4
11
19
15
20
10
23
12
19
22
20
16
20
20
6
14
3
17
19
19
1
8
19
20
7
17
13
5
23
17
22
17
21
19
24
18
23
25
17
17
20
22
9
2
10.310.aa (01)
21.109.ad (03)
10.400.be
FIT
1:1
100%

Артикул

Название

Примечание

Количество

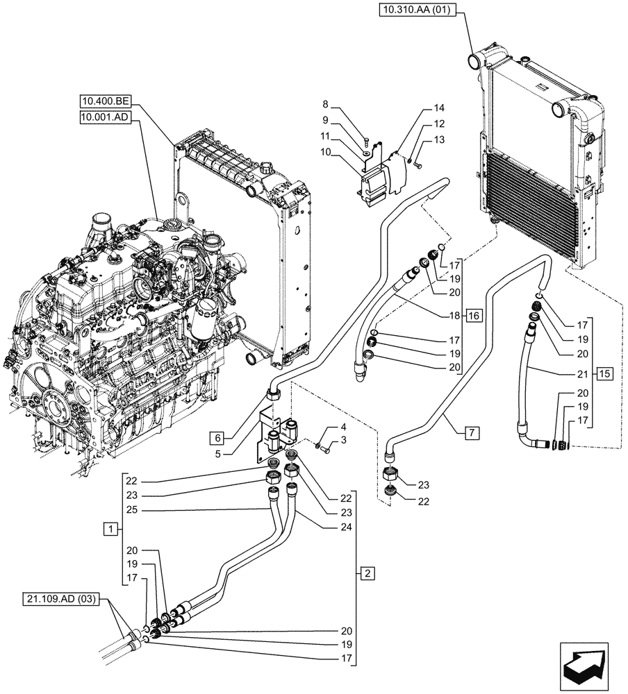
1

47367653

PIPE

Oil Cooler Supply, ASSY, Incl 17, 19, 20, 22, 23, 25

1шт.

2

47367650

PIPE

Oil Cooler Return, ASSY, Incl 17, 19, 20, 22, 23, 24

1шт.

3

9706687

BOLT,M12 x 1.75 x 30mm, Cl 8.8

2шт.

4

86511324

WASHER,13mm ID x 24mm OD x 2.5mm Thk

2шт.

5

47476485

BRACKET

1шт.

6

47427724

PIPE

Oil Cooler Supply, ASSY, Incl 22, 23

1шт.

7

47427722

PIPE

Oil Cooler Return, ASSY, Incl 22, 23

1шт.

8

120100

BOLT,M6 x 20mm, Cl 8.8

2шт.

9

10523401

WASHER,6.15mm ID x 18mm OD x 2mm Thk

2шт.

10

84123764

SUPPORT

1шт.

11

87650542

BRACKET

1шт.

12

10519401

WASHER,6.4mm ID x 11.95mm OD x 1.6mm Thk

2шт.

13

86508568

BOLT,Hex, M6 x 1 x 16mm, Cl 8.8

2шт.

14

87488159

BRACKET

1шт.

15

84184076

HOSE,28mm ID

Oil Cooler Return, ASSY, Incl 17 (Qty 2), 19 (Qty 2), 20 (Qty 2)

1шт.

16

84184075

HOSE,25.4mm ID x 805mm L, SAE 100R6

Oil Cooler Supply, ASSY, Incl 17 (Qty 2), 19 (Qty 2), 20 (Qty 2)

1шт.

17

47469809

O-RING,2.0mm Thk x 24.0mm ID

6шт.

18

NSS

NOT SOLD SEPARAT

Hose, Incl in 16

1шт.

19

84156016

LOCKING RING,34.7mm OD x 24mm L

6шт.

20

84156020

RETAINER,28mm ID

6шт.

21

NSS

NOT SOLD SEPARAT

Hose, Incl in 15

1шт.

22

87644285

SLEEVE,M28 ORFS

3шт.

23

86639098

TUBE NUT,1-11/16'-12 x 27.5mm Thk

3шт.

24

NSS

NOT SOLD SEPARAT

Hose, Incl in 2

1шт.

25

NSS

NOT SOLD SEPARAT

Hose, Incl in 1

1шт.

Выбрано товаров: 25