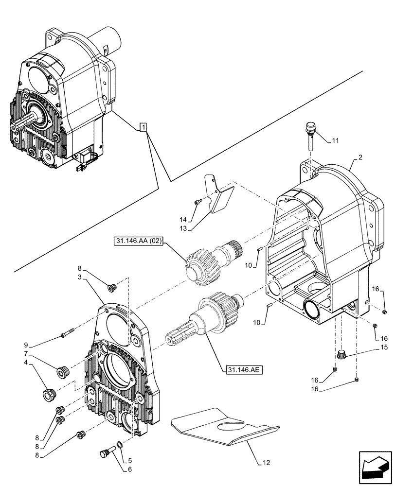
Запчасти Case IH PUMA 185 CVT (31.146.AC[02]) - VAR - 758091, 758093, 758245, 758247 - FRONT, 3 POINT HITCH, FRONT PTO, HOUSING (31) - IMPLEMENT POWER TAKE OFF

Схема запчастей Case IH PUMA 185 CVT - (31.146.AC[02]) - VAR - 758091, 758093, 758245, 758247 - FRONT, 3 POINT HITCH, FRONT PTO, HOUSING (31) - IMPLEMENT POWER TAKE OFF
31.146.aa (02)
16
6
14
8
10
15
7
8
8
8
9
2
4
12
13
11
10
16
1
16
16
3
5
31.146.ae
FIT
1:1
100%

Артикул

Название

Примечание

Количество

1

84481589

FRONT PTO ASSY

ASSY, Incl 2 - 16

1шт.

See also Figure 31.142.AA, 31.146.AA (02), 31.146.AE

1шт.

2

NSS

NOT SOLD SEPARAT

Housing, Incl in 1

1шт.

3

NSS

NOT SOLD SEPARAT

Housing, Incl in 1

1шт.

4

84562035

SIGHTGLASS

1шт.

5

84484868

SEALING WASHER

1шт.

6

84484333

PLUG

1шт.

7

84484887

PLUG

1шт.

8

84484873

PLUG

4шт.

9

120162

HEX SOC SCREW,M6 x 35mm, Cl 8.8

15шт.

10

84484355

PIN

2шт.

11

84484285

BREATHER

1шт.

12

84484314

SPLASH SHIELD

1шт.

13

47413848

DEFLECTOR

1шт.

14

14304021

HEX SOC SCREW,M5 x 10mm, Cl 8.8

2шт.

15

84484298

PLUG

1шт.

16

84483816

SCREW

4шт.

Выбрано товаров: 17