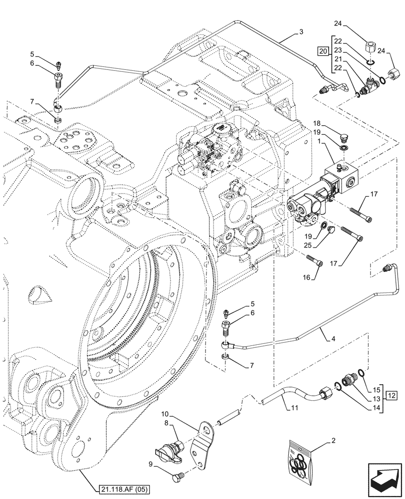
Запчасти Case IH PUMA 185 CVT (33.202.AP[09]) - VAR - 758037, 758039, 758044 - HYDRAULIC AND PNEUMATIC TRAILER BRAKE, LINE (33) - BRAKES & CONTROLS

Схема запчастей Case IH PUMA 185 CVT - (33.202.AP[09]) - VAR - 758037, 758039, 758044 - HYDRAULIC AND PNEUMATIC TRAILER BRAKE, LINE (33) - BRAKES & CONTROLS
21.118.af (05)
4
6
22
25
20
11
19
8
24
18
22
6
15
5
24
9
14
21
23
12
7
17
13
5
2
16
19
10
1
17
3
7
FIT
1:1
100%

Артикул

Название

Примечание

Количество

1

47582718

BRAKE VALVE

1шт.

2

47583857

SEAL KIT

1шт.

3

84326329

PIPE

LH, Trailer Brake Valve

1шт.

4

87608326

BRAKE LINE

1шт.

5

5153030

BLEED SCREW,Bleeder, Hex, M8 x 1.25 x 25mm

2шт.

6

5155679

BLEEDER VALVE,M12 x 1.25 x 27mm

2шт.

7

5155678

GASKET,12.2mm ID x 17mm OD x 5mm Thk

2шт.

8

44015354

QUICK MALE COUPLING

1шт.

9

15540221

BOLT,Hex, M12 x 1.25 x 20mm, Cl 8.8, Full Thd

2шт.

10

5196322

BRACKET

1шт.

11

87608334

TUBE

RH, Trailer Brake Valve

1шт.

12

86579676

HYD CONNECTOR,13/16" - 16 ORFS x M18 x 1.5 ORB

ASSY, Incl 13 - 15

1шт.

13

NSS

NOT SOLD SEPARAT

Connector, Incl in 12

1шт.

14

86598101

O-RING,2.2mm Thk x 15.3mm ID, Cl 6, 90 Duro

1шт.

15

9992298

O-RING,0.07" Thk x 0.489" ID, -14, Cl 6, 90 Duro

1шт.

16

14306721

HEX SOC SCREW,M8 x 48mm, Cl 8.8

1шт.

17

14308921

HEX SOC SCREW,M8 x 60mm, Cl 8.8

2шт.

18

47131496

PLUG,Hex, M12 x 1

1шт.

19

5183780

SEALING WASHER,9.73mm ID x 18mm OD x 1.5mm Thk

4шт.

20

87521154

HYD CONNECTOR,M12 x 1, ORB 11/16"-16 ORFS

ASSY, Incl 21 - 23

1шт.

21

NSS

NOT SOLD SEPARAT

Tee, Incl in 20

1шт.

22

82019391

SEAL,9.8mm ID x 14.4mm OD x 1mm Thk

2шт.

23

5185510

O-RING,1.78mm Thk x 9.25mm ID, 85 Duro

1шт.

24

9625546

CAP,11/16" - 16 ORFS

2шт.

25

10300511

PLUG,M12 x 1.5 x 12, Cl5.8

1шт.

Выбрано товаров: 25