Запчасти Case IH PUMA 185 CVT (33.224.AJ[06]) - VAR - 758038, 758039, 758041, 758042, 758043, 758044 - TRAILER, BRAKE, COMPRESSOR, DRAIN LINE (33) - BRAKES & CONTROLS

Схема запчастей Case IH PUMA 185 CVT - (33.224.AJ[06]) - VAR - 758038, 758039, 758041, 758042, 758043, 758044 - TRAILER, BRAKE, COMPRESSOR, DRAIN LINE (33) - BRAKES & CONTROLS
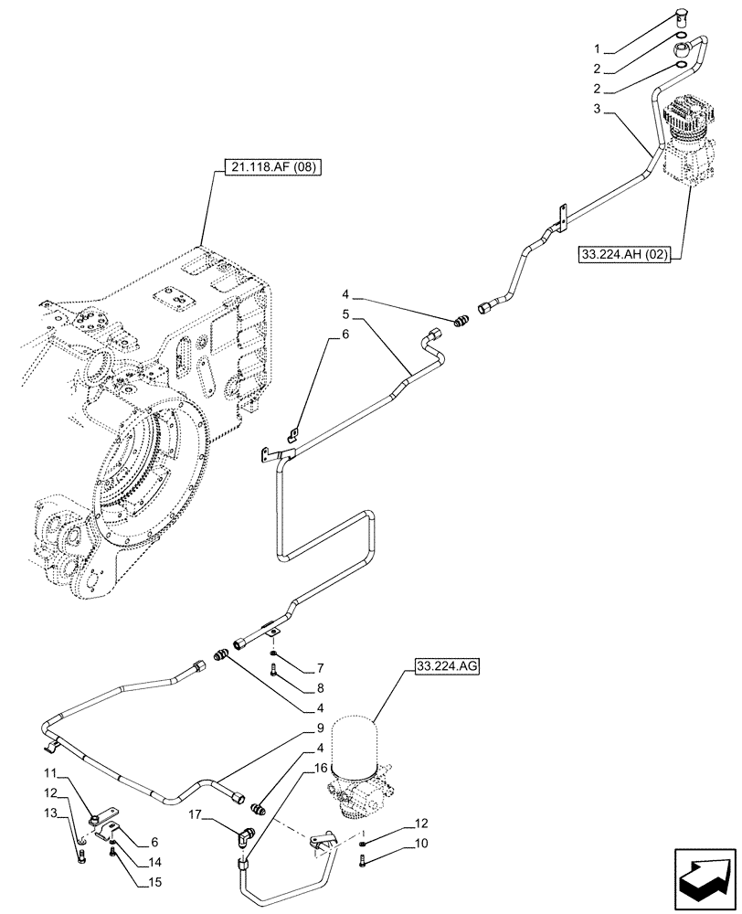
33.224.ag
21.118.af (08)
12
9
5
17
14
3
2
7
16
13
15
6
1
4
8
4
6
2
4
11
12
33.224.ah (02)
10
FIT
1:1
100%

Артикул

Название

Примечание

Количество

1

84532344

BANJO BOLT,M26 x 1.5 x 38mm L

1шт.

2

82031552

COPPER WASHER,26.1mm ID x 32mm OD x 1.5mm Thk

2шт.

3

47439144

PIPE

Compressor Supply

1шт.

4

82024503

HYD CONNECTOR,7/8"-14 x 7/8"-14

3шт.

5

84181243

PIPE

Dryer

1шт.

6

5178447

BRACKET

2шт.

7

10519401

WASHER,6.4mm ID x 11.95mm OD x 1.6mm Thk

1шт.

8

120100

BOLT,M6 x 20mm, Cl 8.8

1шт.

9

84338238

PIPE

Dryer

1шт.

10

336199

BOLT,Hex, M8 x 1.25 x 12mm, Cl 8.8, Full Thd

2шт.

11

84317379

BRACKET

2шт.

12

14496501

WASHER,8.4mm ID x 17mm OD x 1.6mm Thk

7шт.

13

120104

BOLT,Hex, M8 x 1.25 x 20mm, Cl 8.8

2шт.

14

9824259

WASHER,6.4mm ID x 12mm OD x 1.6mm Thk

2шт.

15

86977726

BOLT,Hex, M6 x 12mm, Cl 8.8

2шт.

16

84401462

HYD TUBE

Dryer

1шт.

17

82003206

ELBOW,90 Deg, 7/8-14 x M22 x 1.5 ORB

1шт.

Выбрано товаров: 17