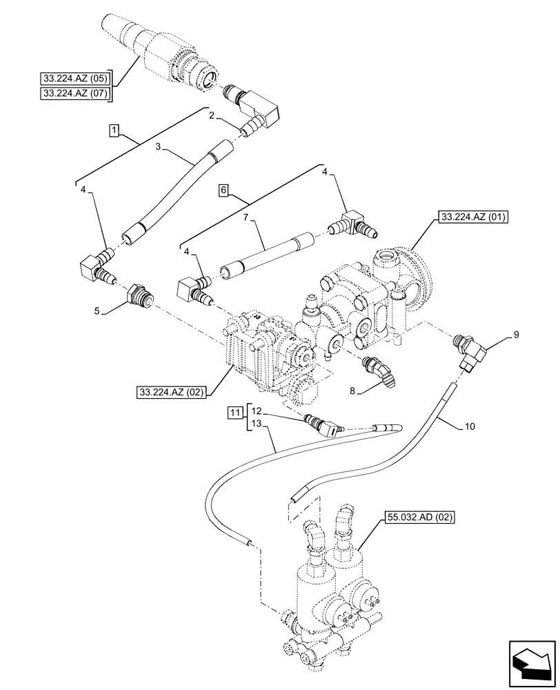
Запчасти Case IH PUMA 185 CVT (33.224.AZ[04]) - VAR - 337481, 337482, 337488, 337491, 758038, 758039, 758043, 758044 - PNEUMATIC TRAILER BRAKE, PIPE (33) - BRAKES & CONTROLS

Схема запчастей Case IH PUMA 185 CVT - (33.224.AZ[04]) - VAR - 337481, 337482, 337488, 337491, 758038, 758039, 758043, 758044 - PNEUMATIC TRAILER BRAKE, PIPE (33) - BRAKES & CONTROLS
55.032.ad (02)
4
2
7
10
4
6
12
3
5
9
13
11
4
8
1
33.224.az (02)
33.224.az (01)
33.224.az (07)
33.224.az (05)
FIT
1:1
100%

Артикул

Название

Примечание

Количество

1

84157670

FLEXIBLE HOSE,12mm ID x 164mm, MAT 3012

ASSY, Incl 2 - 4

1шт.

2

84157694

90 ELBOW

1шт.

3

NSS

NOT SOLD SEPARAT

Tube, Incl in 1

1шт.

4

87588080

90 ELBOW,NG8 x 12mm D

1шт.

5

87588079

HYD CONNECTOR,M16 x 1.5

1шт.

6

84157672

FLEXIBLE HOSE,12.00mm OD x 123.00mm

ASSY, Incl 4, 6

1шт.

7

NSS

NOT SOLD SEPARAT

Tube, Incl in 6

1шт.

8

87588084

HYD CONNECTOR,M10 x 1

1шт.

9

87678126

ELBOW,Hex, M12 x 1.4 x 28mm

2шт.

10

87580708

TUBE,4 mm ID x 6 mm OD x 253 mm L

1шт.

11

84157675

FLEXIBLE HOSE,436.00 mm

ASSY, Incl 12, 13

1шт.

12

82036158

ELBOW,9.1mm OD x 31.5mm, 6x1Tube

1шт.

13

NSS

NOT SOLD SEPARAT

Tube, Incl in 11

1шт.

Выбрано товаров: 13