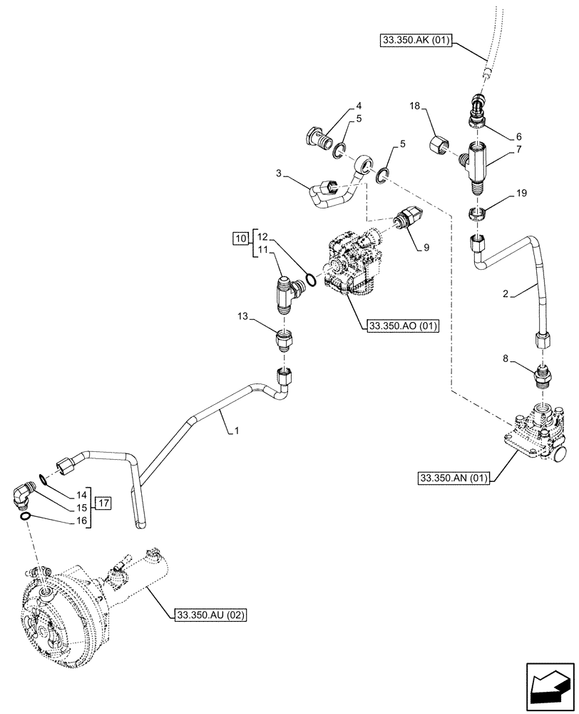
Запчасти Case IH PUMA 185 CVT (33.350.AH[01]) - VAR - 337479, 337480 - ANTILOCK BRAKING SYSTEM (ABS), LINE (33) - BRAKES & CONTROLS

Схема запчастей Case IH PUMA 185 CVT - (33.350.AH[01]) - VAR - 337479, 337480 - ANTILOCK BRAKING SYSTEM (ABS), LINE (33) - BRAKES & CONTROLS
33.350.ak (01)
16
12
2
4
19
7
8
18
15
17
11
10
9
3
1
5
14
6
5
13
33.350.au (02)
33.350.ao (01)
33.350.an (01)
FIT
1:1
100%

Артикул

Название

Примечание

Количество

1

47556094

PIPE

from EBM to Front Actuator

1шт.

2

47419237

TUBE

Air from Proportioning Valve

1шт.

3

47424639

TUBE

from Foot Brake Valve to EBM

1шт.

4

84474995

BANJO BOLT,M22 x 1.5

1шт.

5

5165897

SEALING WASHER,22.7mm ID x 30mm OD x 2mm Thk

2шт.

6

47386297

90 ELBOW,M22 x 1.5

M16 x 1.5

1шт.

7

47368281

TEE

1шт.

8

84529661

HYD CONNECTOR,M22 x 1.5 x 42mm L

1шт.

9

47369190

90 ELBOW

1шт.

10

84557169

TEE

ASSY, Incl 11, 12

1шт.

11

NSS

NOT SOLD SEPARAT

Connector, Incl in 10

1шт.

12

14438085

O-RING,19.3mm ID x 2.4mm

1шт.

13

87029966

REDUCER,7/8" - 14 JIC x 3/4" - 16 JIC

1шт.

14

9991976

O-RING,0.07" Thk x 0.739" ID, -18, Cl 6, 90 Duro

1шт.

15

NSS

NOT SOLD SEPARAT

Elbow, Incl in 17

1шт.

16

86598100

O-RING,2.2mm Thk x 13.3mm ID, Cl 6, 90 Duro

1шт.

17

84553346

HYD CONNECTOR,M16 x 1.5

ASSY, Incl 14 - 16

1шт.

18

129200

CAP,7/8" - 14 JIC

1шт.

19

524036

BHD LOCK NUT,Blkhd, 3/4"-16

1шт.

Выбрано товаров: 19