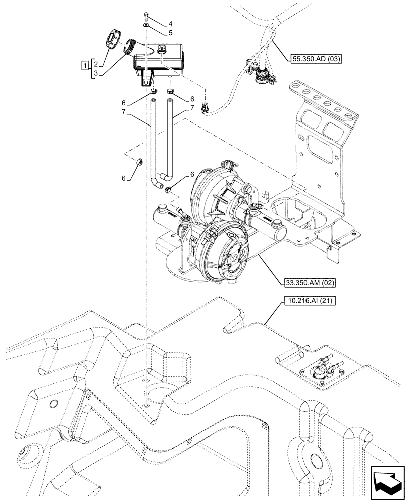
Запчасти Case IH PUMA 185 CVT (33.350.AR[01]) - VAR - 337479, 337480 - ANTILOCK BRAKING SYSTEM (ABS), BRAKE FLUID RESERVOIR (33) - BRAKES & CONTROLS

Схема запчастей Case IH PUMA 185 CVT - (33.350.AR[01]) - VAR - 337479, 337480 - ANTILOCK BRAKING SYSTEM (ABS), BRAKE FLUID RESERVOIR (33) - BRAKES & CONTROLS
33.350.am (02)
6
2
6
4
3
6
1
7
5
6
7
55.350.ad (03)
10.216.ai (21)
FIT
1:1
100%

Артикул

Название

Примечание

Количество

1

47455153

BRAKE FLUID TANK

ASSY, Incl 2, 3

1шт.

2

84573122

PLUG

1шт.

3

NSS

NOT SOLD SEPARAT

Reservoir Brake Fluid, Incl in 1

1шт.

4

10902421

SCREW,Hex, M6 x 20mm, Cl 8.8

2шт.

5

86588450

WASHER,6.6mm ID x 12mm OD x 1.6mm Thk

2шт.

6

82011382

HOSE CLAMP,15mm - 17mm

4шт.

7

47415461

HOSE

2шт.

Выбрано товаров: 7