Запчасти Case IH PUMA 185 CVT (35.160.AF[04]) - VAR - 758093, 758247 - 3 POINT HITCH, FRONT, W/ FRONT PTO, W/ COUPLER, VALVE (35) - HYDRAULIC SYSTEMS

Схема запчастей Case IH PUMA 185 CVT - (35.160.AF[04]) - VAR - 758093, 758247 - 3 POINT HITCH, FRONT, W/ FRONT PTO, W/ COUPLER, VALVE (35) - HYDRAULIC SYSTEMS
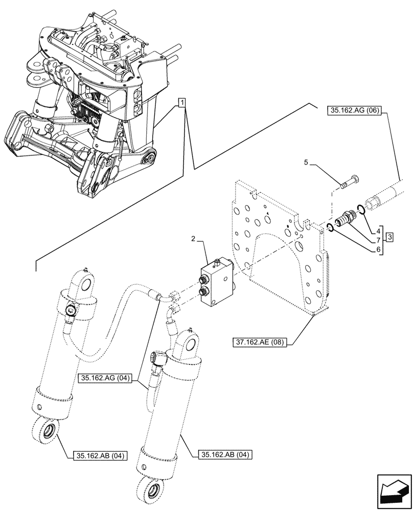
35.162.ag (06)
3
4
5
6
2
1
7
35.162.ab (04)
35.162.ab (04)
35.162.ag (04)
37.162.ae (08)
FIT
1:1
100%

Артикул

Название

Примечание

Количество

1

84474238

HITCH

ASSY, Incl 2 - 7

1шт.

See also Figure 31.142.AF (02), 31.146.AC (01), 35.160.AK (02), 35.162.AB (04), 35.162.AG (04), 37.162.AE (07), 37.162.AE (08), 37.166.AD (02), 55.160.AP (02)

1шт.

2

84481192

PILOT VALVE

1шт.

3

86579680

HYD CONNECTOR,1"-14 ORFS x M22 x 1.5mm ORB

ASSY, Incl 4, 6, 7

1шт.

4

9992069

O-RING,0.07" Thk x 0.614" ID, -16, Cl 6, 90 Duro

1шт.

5

120112

BOLT,Hex, M10 x 1.5 x 40mm, Cl 8.8, Full Thd

2шт.

6

86598102

O-RING,2.2mm Thk x 19.3mm ID, Cl 6, 90 Duro

1шт.

7

NSS

NOT SOLD SEPARAT

Connector, Incl in 3

1шт.

Выбрано товаров: 8