Запчасти Case IH PUMA 185 CVT (37.162.AE[08]) - VAR - 758093, 758247 - 3 POINT HITCH, FRONT, W/ PTO, W/ COUPLING, SUPPORT, COVER (37) - HITCHES, DRAWBARS & IMPLEMENT COUPLINGS

Схема запчастей Case IH PUMA 185 CVT - (37.162.AE[08]) - VAR - 758093, 758247 - 3 POINT HITCH, FRONT, W/ PTO, W/ COUPLING, SUPPORT, COVER (37) - HITCHES, DRAWBARS & IMPLEMENT COUPLINGS
37.162.ae (07)
6
5
7
3
8
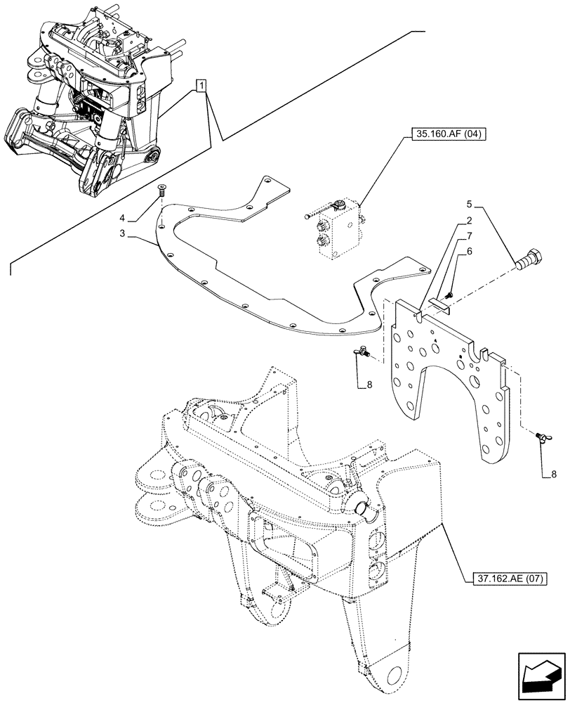
1
2
8
4
35.160.af (04)
FIT
1:1
100%

Артикул

Название

Примечание

Количество

1

84474238

HITCH

ASSY, Incl 2 - 8

1шт.

See also Figure 31.142.AF (02), 31.146.AC (01), 35.160.AF (04), 35.160.AK (02), 35.162.AB (04), 35.162.AG (04), 37.162.AE (07), 37.166.AD (02), 55.160.AP (02)

1шт.

2

84470397

MOUNTING PLATE

1шт.

3

14441321

HEX SOC SCREW,M6 x 16mm, Cl 8.8

12шт.

4

84484439

PLATE

1шт.

5

86508588

BOLT,Hex, M20 x 45mm, Cl 8.8

4шт.

6

86977726

BOLT,Hex, M6 x 12mm, Cl 8.8

1шт.

7

84475685

PROTECTOR

1шт.

8

84486618

SCREW

2шт.

Выбрано товаров: 0