Запчасти Case IH PUMA 185 CVT (41.432.AE[02]) - VAR - 338321, 338322, 338326, 338327, 338330, 338332, 758802, 758803, 758804, 758805, 758806, 758807, 758871 - STEERING VALVE, COMPONENTS (41) - STEERING

Схема запчастей Case IH PUMA 185 CVT - (41.432.AE[02]) - VAR - 338321, 338322, 338326, 338327, 338330, 338332, 758802, 758803, 758804, 758805, 758806, 758807, 758871 - STEERING VALVE, COMPONENTS (41) - STEERING
55.047.al (02)
6
6
13
9
10
10
6
13
4
8
11
3
8
17
1
6
16
15
5
12
10
2
7
13
14
55.047.al (02)
FIT
1:1
100%

Артикул

Название

Примечание

Количество

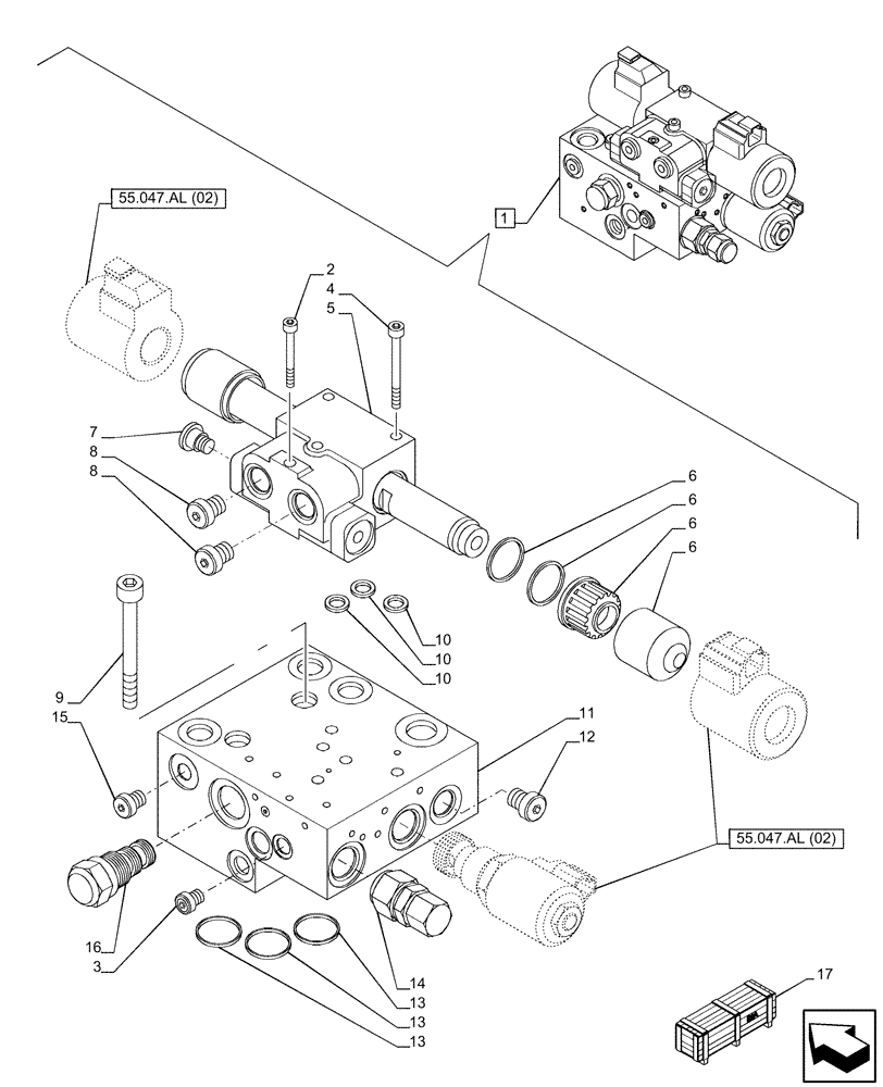
1

47643769

VALVE SECTION

ASSY, Incl 2 - 16

1шт.

2

14304731

SCREW,M5 x 50mm, Cl 10.9

1шт.

3

84289782

PLUG

1шт.

4

14304871

HEX SOC SCREW,M6 x 55mm, Cl 12.9

3шт.

5

87696384

PILOT VALVE

Directional Control

1шт.

6

84160386

SEAL

1шт.

7

86632547

PLUG,Hex, 5/16"-24 ORB

1шт.

8

84289783

PLUG,Hex, 3/8" - 19

4шт.

9

84160398

BOLT,Hex, #10 - 32 x 90mm, Cl 12.9

2шт.

10

84160427

SEAL

1шт.

11

47662983

HYDRAULIC MANIFOLD

1шт.

12

84289784

PLUG

3шт.

13

84160425

SEAL

1шт.

14

84180623

VALVE PRESSURE RELIE

1шт.

15

278548

PLUG,Hex, 7/16"-20 ORB

1шт.

16

84160409

SHUT-OFF VALVE

1шт.

17

710070374

DIA KIT, TRACTOR

Autoguidance Fitment, Incl 1 - 16

1шт.

To See Full DIA KIT Composition Look for all the Figures Where the DIA KIT P/N Is Shown

1шт.

17

710070394

DIA KIT, TRACTOR

Autoguidance Fitment, Incl 1 - 16

1шт.

To See Full DIA KIT Composition Look for all the Figures Where the DIA KIT P/N Is Shown

1шт.

17

710070414

DIA KIT, TRACTOR

Autoguidance System, Incl 1 - 16

1шт.

To See Full DIA KIT Composition Look for all the Figures Where the DIA KIT P/N Is Shown

1шт.

Выбрано товаров: 22