Запчасти Case IH PUMA 200 CVT (55.512.BQ[02]) - VAR - 391180 - ARMREST, CONTROL UNIT, DISPLAY (55) - ELECTRICAL SYSTEMS

Схема запчастей Case IH PUMA 200 CVT - (55.512.BQ[02]) - VAR - 391180 - ARMREST, CONTROL UNIT, DISPLAY (55) - ELECTRICAL SYSTEMS
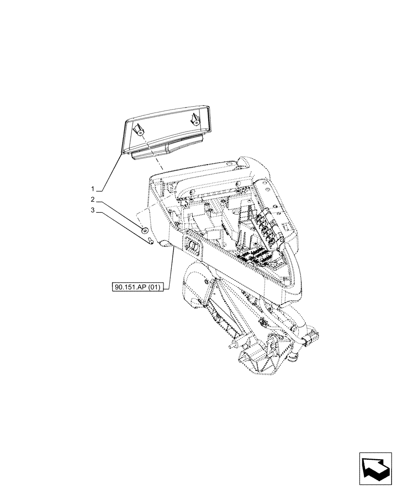
90.151.ap (01)
2
3
1
FIT
1:1
100%

Артикул

Название

Примечание

Количество

1

87493860

PANEL

Less SWCD

1шт.

2

87013357

WASHER,5.5mm ID x 15mm OD x 1.6mm Thk

2шт.

3

15903977

SELF-TAP SCREW,Pan Head, M4.8 x 1.6 x 19mm

2шт.

Выбрано товаров: 3