Запчасти Case IH PUMA 200 CVT (55.522.AB) - VAR - 758091, 758093, 758245, 758247 - PTO, FRONT, REAR, SWITCH (55) - ELECTRICAL SYSTEMS

Схема запчастей Case IH PUMA 200 CVT - (55.522.AB) - VAR - 758091, 758093, 758245, 758247 - PTO, FRONT, REAR, SWITCH (55) - ELECTRICAL SYSTEMS
90.108.aa (09)
3
2
1
1
2
3
90.151.ap (03)
FIT
1:1
100%

Артикул

Название

Примечание

Количество

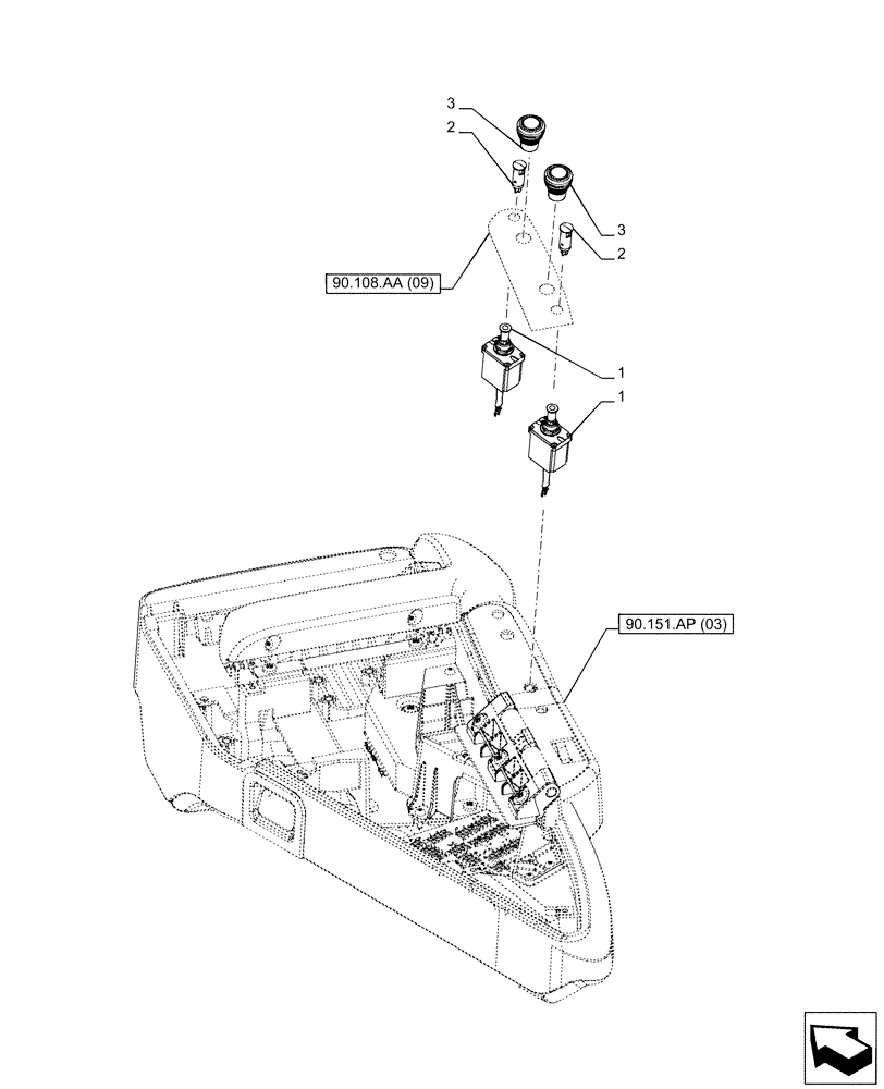
1

84218194

SWITCH ASSY

Rear PTO

2шт.

2

47056319

WARNING LIGHT

Rear PTO Yellow

2шт.

3

87638633

KNOB

2шт.

Выбрано товаров: 3