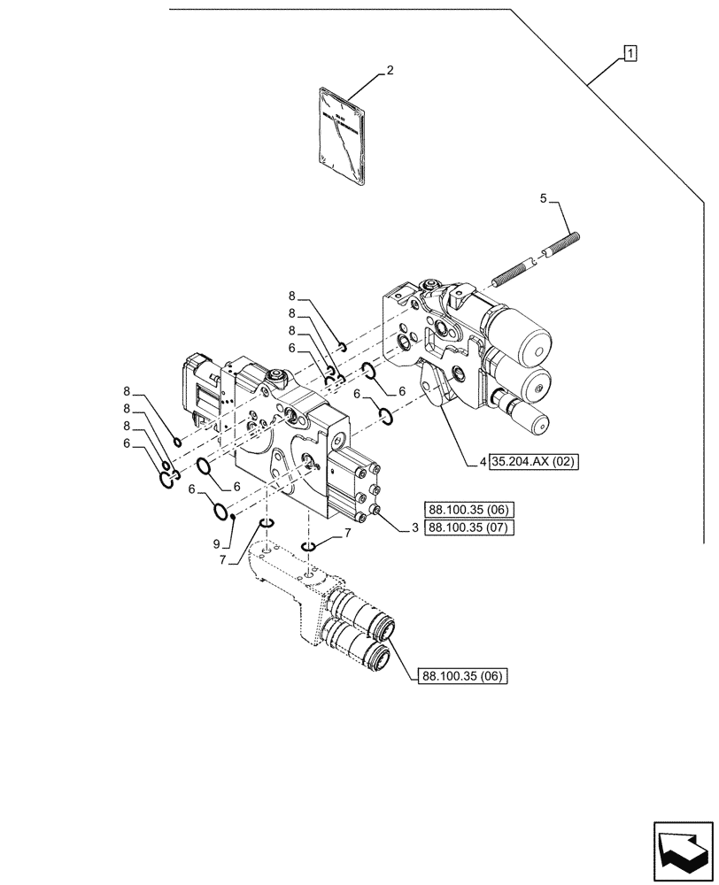
Запчасти Case IH PUMA 200 CVT (88.100.35[05]) - DIA KIT, REMOTE CONTROL VALVE (88) - ACCESSORIES

Схема запчастей Case IH PUMA 200 CVT - (88.100.35[05]) - DIA KIT, REMOTE CONTROL VALVE (88) - ACCESSORIES
35.204.ax (02)
6
8
8
7
1
3
8
6
2
4
8
6
8
8
9
6
6
7
6
5
88.100.35 (07)
88.100.35 (06)
88.100.35 (06)
FIT
1:1
100%

Артикул

Название

Примечание

Количество

1

718917044

DIA KIT, TRACTOR

Rear Hydraulic Power Beyond Connector, Incl 2 - 9

1шт.

To See Full DIA KIT Composition Look for all the Figures Where the DIA KIT P/N Is Shown

1шт.

2

47700310

INSTRUCTION

1шт.

3

47723760

HYDRAULIC VALVE

Main Low Leak, ASSY

1шт.

4

87607904

HYD VALVE SECTION

Power Beyond, ASSY

1шт.

5

87604617

STUD,M12 x 1.75 x 235mm L

3шт.

6

87635382

O-RING,2.62mm Thk x 20.29mm ID, -117, 80 Duro

6шт.

7

87635381

O-RING,2.62mm Thk x 15.54mm ID, -114, 80 Duro

2шт.

8

87635379

O-RING,2.62mm Thk x 9.19mm ID, -110, 80 Duro

6шт.

9

87635376

O-RING,2.62mm Thk x 3.63mm ID, -105, 80 Duro

1шт.

Выбрано товаров: 10