Запчасти Case IH PUMA 200 CVT (88.100.55[11]) - DIA KIT, COLD START SYSTEM, BLOCK HEATER (240V) (88) - ACCESSORIES

Схема запчастей Case IH PUMA 200 CVT - (88.100.55[11]) - DIA KIT, COLD START SYSTEM, BLOCK HEATER (240V) (88) - ACCESSORIES
10.001.ad
2
3
7
6
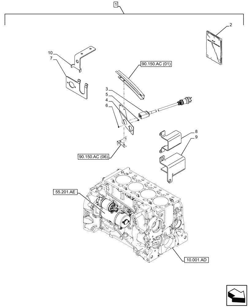
1
5
10
8
9
4
90.150.ac (06)
90.150.ac (01)
55.201.ae
FIT
1:1
100%

Артикул

Название

Примечание

Количество

1

718188004

DIA KIT, TRACTOR

Block and Transmission Oil Heater, ASSY, Incl 2 - 10

1шт.

To See Full DIA KIT Composition Look for all the Figures Where the DIA KIT P/N Is Shown

1шт.

2

47702563

INSTRUCTION

1шт.

3

47541050

WIRE HARNESS

1шт.

4

87633005

BRACKET

1шт.

5

13276414

SCREW,Pozidriv Pan Hd, M6 x 20mm, Cl 5.8, Full Thd

1шт.

6

86619800

FLANGE NUT,M6 x 1, Cl 8

1шт.

7

87315478

BRACKET

1шт.

8

87616064

GUARD

1шт.

9

84278885

GUARD

1шт.

10

47370843

BRACKET

1шт.

Выбрано товаров: 11