Запчасти Case IH PUMA 200 CVT (90.000.00[02]) - SECTION INDEX - PLATFORM, CAB, BODYWORK & DECALS (90) - PLATFORM, CAB, BODYWORK AND DECALS

Схема запчастей Case IH PUMA 200 CVT - (90.000.00[02]) - SECTION INDEX - PLATFORM, CAB, BODYWORK & DECALS (90) - PLATFORM, CAB, BODYWORK AND DECALS
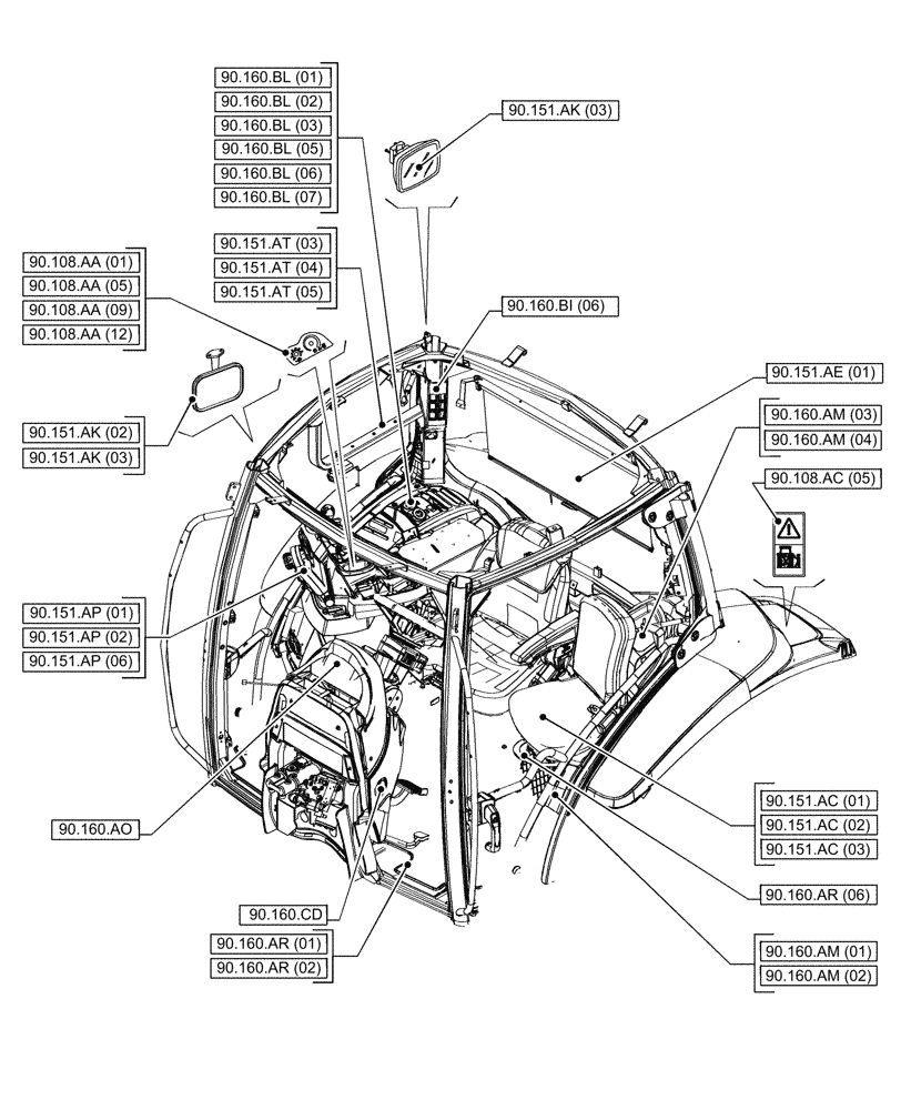
90.151.ak (03)
90.160.bl (02)
90.108.aa (12)
90.151.ap (02)
90.160.am (02)
90.151.ac (03)
90.160.bl (06)
90.160.cd
90.160.ao
90.160.am (03)
90.160.am (04)
90.160.ar (01)
90.151.ap (01)
90.160.bl (05)
90.151.ae (01)
90.108.aa (01)
90.160.am (01)
90.151.ak (02)
90.151.ap (06)
90.108.ac (05)
90.108.aa (09)
90.160.bl (07)
90.151.ac (01)
90.160.ar (02)
90.151.ac (02)
90.151.at (03)
90.160.bl (01)
90.160.ar (06)
90.151.at (04)
90.151.at (05)
90.160.bl (03)
90.108.aa (05)
90.160.bi (06)
90.151.ak (03)
FIT
1:1
100%