Запчасти Case IH PUMA 200 CVT (90.150.AE[02]) - VAR - 391183 - CAB, FRONT, MOUNT (90) - PLATFORM, CAB, BODYWORK AND DECALS

Схема запчастей Case IH PUMA 200 CVT - (90.150.AE[02]) - VAR - 391183 - CAB, FRONT, MOUNT (90) - PLATFORM, CAB, BODYWORK AND DECALS
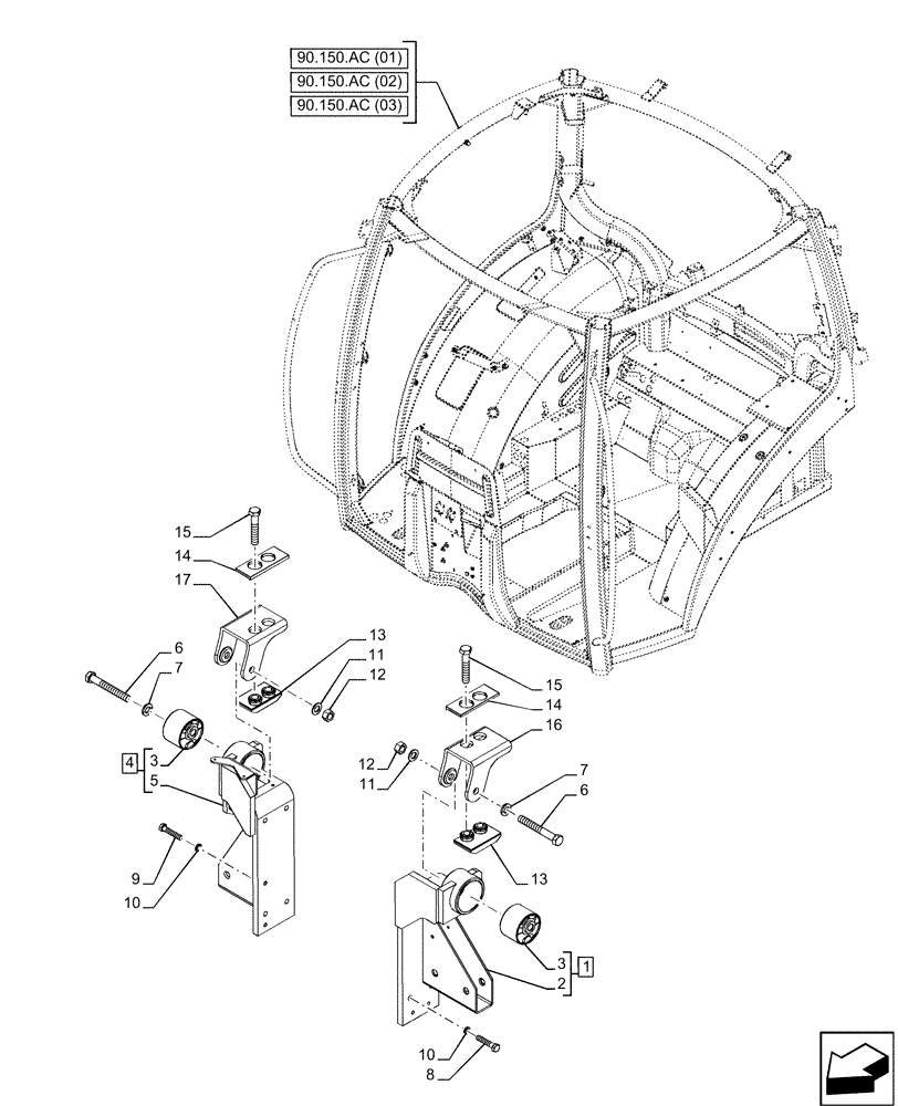
90.150.ac (01)
11
13
3
6
12
2
7
10
5
15
4
8
15
11
17
12
14
3
6
7
9
1
14
10
13
16
90.150.ac (03)
90.150.ac (02)
FIT
1:1
100%

Артикул

Название

Примечание

Количество

1

84353506

SUPPORT

ASSY, Incl 2, 3

1шт.

2

NSS

NOT SOLD SEPARAT

Support, Front, Left, Incl in 1

1шт.

3

87396965

INSULATOR,100mm OD x 85.3mm L

2шт.

4

84353501

SUPPORT

ASSY, Incl 3, 5

1шт.

5

NSS

NOT SOLD SEPARAT

Support, Front, Right, Incl in 4

1шт.

6

384197

BOLT,Hex, M20 x 2.5 x 150mm, Cl 8.8

2шт.

7

11191774

BELLEVILLE WASHER,M20 Bolt Size x 38mm OD x 4.6mm Thk

2шт.

8

16214621

SCREW,Hex, M14 x 1.5 x 50mm, Cl 8.8

4шт.

9

11360221

BOLT,Hex, M14 x 1.5 x 100, 8.8

4шт.

10

47630557

WASHER,Nordlock NL14; 15.2mm ID x 23mm OD x 3.4mm Thk

8шт.

11

86511327

WASHER,21mm ID x 37mm OD x 3mm Thk

2шт.

12

9706694

NUT,Hex, M20, Cl 8

2шт.

13

47619390

INSULATING PLATE

2шт.

14

47619387

PAD

2шт.

15

87737521

SCREW,Hex, M20 X 120, 8.8

4шт.

16

84140750

YOKE

1шт.

17

84140756

YOKE

1шт.

Выбрано товаров: 17