Запчасти Case IH PUMA 200 CVT (21.118.AJ[02]) - VAR - 758008 - TRANSMISSION OIL, HEATER (240V) (21) - TRANSMISSION

Схема запчастей Case IH PUMA 200 CVT - (21.118.AJ[02]) - VAR - 758008 - TRANSMISSION OIL, HEATER (240V) (21) - TRANSMISSION
90.150.ac (01)
4
7
1
8
2
9
11
6
10
5
8
12
2
13
3
55.202.ae (02)
21.118.af (10)
21.118.af (10)
21.118.af (05)
21.118.af (05)
FIT
1:1
100%

Артикул

Название

Примечание

Количество

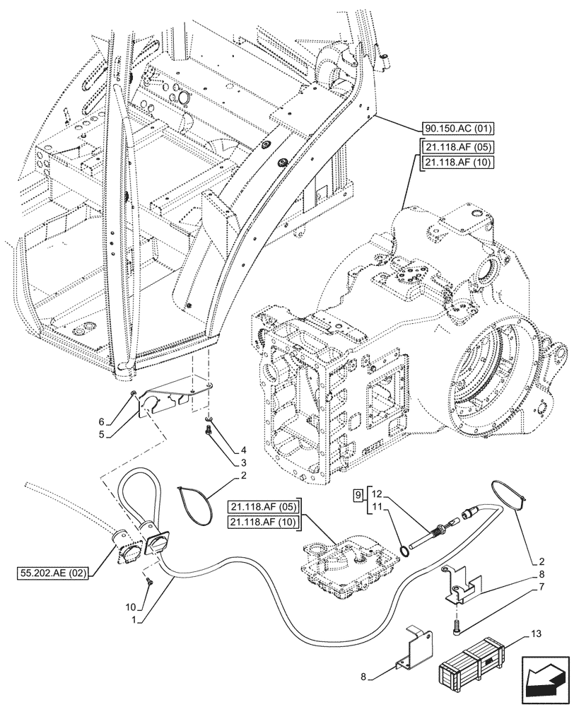
1

84397509

ELECTRIC CABLE

1шт.

2

82001041

CABLE TIE,0.190" x 7.00" / 200 mm L

2шт.

3

16043221

BOLT,Hex, M8 x 16mm, Cl 8.8, Full Thd

2шт.

4

14496521

WASHER,8.4mm ID x 17mm OD x 1.6mm Thk

2шт.

5

47390802

SUPPORT

1шт.

6

10794011

NUT,M4, Cl 8

2шт.

7

14420271

HEX SOC SCREW,M10 x 1.5 x 30mm, Cl 12.9, Full Thd

1шт.

8

84162403

GUARD

for PWS

1шт.

8

87571524

GUARD

for CVT

1шт.

9

82030789

HEATER,240V

ASSY, Incl 11, 12

1шт.

10

13271914

SCREW,Pozidriv Pan Hd, M4 x 10mm, Cl 5.8, Full Thd

2шт.

11

81903721

O-RING,0.116" Thk x 1.048" ID, -914, Cl 6, 90 Duro

1шт.

12

NSS

NOT SOLD SEPARAT

Heater, Incl in 9

1шт.

13

718188004

DIA KIT, TRACTOR

Block and Transmission Oil Heater, ASSY, Incl 1 - 12

1шт.

To See Full DIA KIT Composition Look for all the Figures Where the DIA KIT P/N Is Shown

1шт.

Выбрано товаров: 15