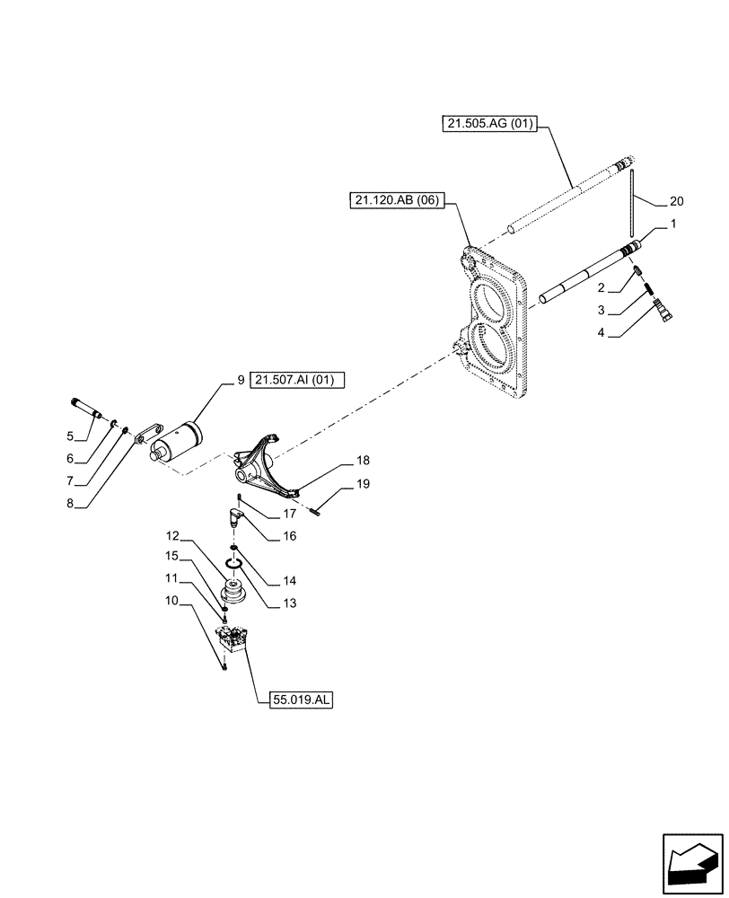
Запчасти Case IH PUMA 200 CVT (21.505.AG[02]) - VAR - 337427, 337433, 391138, 758022, 758870, 759053 - TRANSMISSION, GEARSHIFT, ROD & FORKS, CVT (21) - TRANSMISSION

Схема запчастей Case IH PUMA 200 CVT - (21.505.AG[02]) - VAR - 337427, 337433, 391138, 758022, 758870, 759053 - TRANSMISSION, GEARSHIFT, ROD & FORKS, CVT (21) - TRANSMISSION
55.019.al
4
19
8
9
7
15
18
14
20
17
12
2
13
5
16
1
10
11
6
3
21.120.ab (06)
21.505.ag (01)
21.507.ai (01)
FIT
1:1
100%

Артикул

Название

Примечание

Количество

1

84587864

ROD,24mm OD x 374mm L

Lower, R1 - II

1шт.

2

5166394

PAWL,10mm OD x 25mm L

1шт.

3

5166393

SPRING,8mm OD x 43mm L

1шт.

4

87549975

PLUG,M18 x 1.5 x 62mm L

1шт.

5

87653486

HOLDER

Lower

2шт.

6

5115996

O-RING,2.62mm Thk x 15.08mm ID, 80 Duro

2шт.

7

14453180

O-RING,12.42mm ID x 1.78mm

2шт.

8

87628829

SPACER,2x17mm OD x 8mm Thk x 95mm L

1шт.

9

87549885

OPERATING CYLINDER

Range II - R1, ASSY

1шт.

10

13272014

SCREW,Pozidriv Pan Hd, M4 x 12mm, Cl 5.8

2шт.

11

14305224

HEX SOC SCREW,M6 x 16mm, Cl 8.8, Full Thd

2шт.

12

87675305

HOLDER

1шт.

13

14452980

O-RING,9.25mm ID x 1.78" Width

1шт.

14

14458680

O-RING,0.103" Thk x 1.487" ID, -128, Cl 5, 75 Duro

1шт.

15

14497701

WASHER,4.3mm ID x 8mm OD x 0.8mm Thk

4.3 x 8 x 0.8mm ZND

2шт.

16

87675304

SHAFT,9.4mm ID x 12mm OD x 47.5mm L

1шт.

17

10336010

PIN,6mm OD x 16mm L

6 x 16mm PLN

2шт.

18

84587862

SHIFTER FORK,144.4mm ID x 162mm OD

Range II - R1

1шт.

19

13913670

ROLL PIN,M8 x 40, Coiled

1шт.

20

87549873

PAWL,8.5mm OD x 273mm L

1шт.

Выбрано товаров: 20