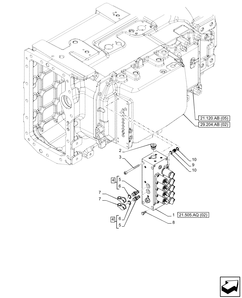
Запчасти Case IH PUMA 200 CVT (21.505.AQ[01]) - VAR - 337427, 337433, 391138, 758022, 758870, 759053 - TRANSMISSION CONTROL VALVE (21) - TRANSMISSION

Схема запчастей Case IH PUMA 200 CVT - (21.505.AQ[01]) - VAR - 337427, 337433, 391138, 758022, 758870, 759053 - TRANSMISSION CONTROL VALVE (21) - TRANSMISSION
21.505.aq (02)
5
6
4
7
10
4
2
5
6
9
1
3
10
7
29.204.ab (02)
8
21.120.ab (05)
FIT
1:1
100%

Артикул

Название

Примечание

Количество

1

84123450

MANIFOLD VALVE

ASSY

1шт.

2

86598047

PLUG,Hex Soc, M22 x 1.5, ORB

1шт.

3

14307124

SCREW,M8 x 1.25 x 90mm, Cl 8.8

4шт.

4

5185423

COUPLING

ASSY, Incl 5, 6

3шт.

5

NSS

NOT SOLD SEPARAT

Coupling, Incl in 4

1шт.

6

47725668

O-RING,2.2mm Thk x 11.3mm ID, Cl 6

11.30mm ID x 2.20mm

1шт.

7

5185424

DUST CAP,11.5mm ID x 81.5 L, Black

3шт.

8

86625000

BOLT,Hex, M8 x 18mm, Cl 8.8, Full Thd

2шт.

9

87561328

BUSHING,11mm ID x 13mm OD x 14mm L

13шт.

10

14453080

O-RING,0.426" ID x 0.07"

26шт.

Выбрано товаров: 10