Запчасти Case IH PUMA 200 CVT (21.506.BE[01]) - VAR - 337427, 337433, 391138, 758022, 758870, 759053 - TRANSMISSION, LUBRICATION LINE (21) - TRANSMISSION

Схема запчастей Case IH PUMA 200 CVT - (21.506.BE[01]) - VAR - 337427, 337433, 391138, 758022, 758870, 759053 - TRANSMISSION, LUBRICATION LINE (21) - TRANSMISSION
35.300.an (02)
3
4
2
6
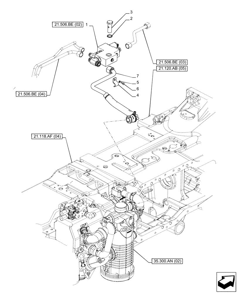
1
5
7
21.120.ab (05)
21.506.be (02)
21.118.af (04)
21.506.be (04)
21.506.be (03)
FIT
1:1
100%

Артикул

Название

Примечание

Количество

1

87676058

MANIFOLD

ASSY

1шт.

2

5165897

SEALING WASHER,22.7mm ID x 30mm OD x 2mm Thk

1шт.

3

87671358

BANJO BOLT

1шт.

4

5156414

CLAMP,20mm ID, 6.5mm Bolt Hole, J Type

1шт.

5

11197779

BELLEVILLE WASHER,M6 Bolt Size x 12mm OD x 1.2mm Thk

1шт.

6

10902321

SCREW,Hex, M6 x 18mm, Cl 8.8, Full Thd

1шт.

7

87659176

PIPE

From Filter

1шт.

Выбрано товаров: 7