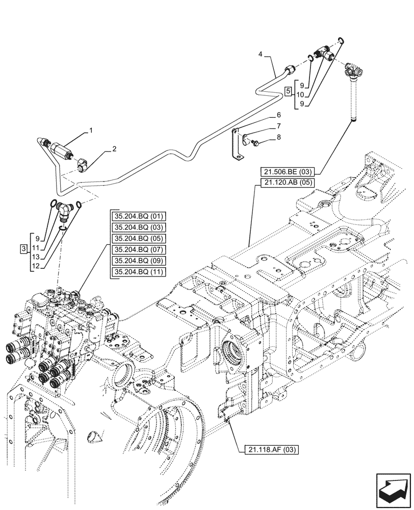
Запчасти Case IH PUMA 200 CVT (21.506.BE[06]) - VAR - 758936 - TRANSMISSION, LUBRICATION LINE (21) - TRANSMISSION

Схема запчастей Case IH PUMA 200 CVT - (21.506.BE[06]) - VAR - 758936 - TRANSMISSION, LUBRICATION LINE (21) - TRANSMISSION
35.204.bq (11)
6
7
3
9
11
4
5
10
2
9
12
9
13
8
1
35.204.bq (07)
21.506.be (03)
35.204.bq (09)
35.204.bq (01)
35.204.bq (03)
21.118.af (03)
35.204.bq (05)
21.120.ab (05)
FIT
1:1
100%

Артикул

Название

Примечание

Количество

1

84197114

FILTER

1шт.

2

84546907

TUBE

1шт.

3

87519151

HYD CONNECTOR,1"3/16-12 x M27 x 2 x 1"14

ASSY, Incl 9, 11 -13

1шт.

4

47397033

TUBE

Lube Remote Valves

1шт.

5

5197110

TEE,1"-14 UNS

ASSY, Incl 10, 14

1шт.

6

84359294

BRACKET

1шт.

7

87010656

CLAMP,17.5mm, Coat, 10.3mm Bolt Hole, P Type

1шт.

8

86050286

FLANGE BOLT,M10 x 20mm, Cl 8.8

1шт.

9

5185512

O-RING,0.07" Thk x 0.614" ID, -16, Cl 6, 90 Duro

3шт.

10

NSS

NOT SOLD SEPARAT

Tee, Incl in 5

1шт.

11

NSS

NOT SOLD SEPARAT

Elbow, Incl in 3

1шт.

12

5185513

O-RING,1.78mm Thk x 18.77mm ID, 85 Duro

1шт.

13

14438185

O-RING,24mm ID x 3mm

1шт.

Выбрано товаров: 13