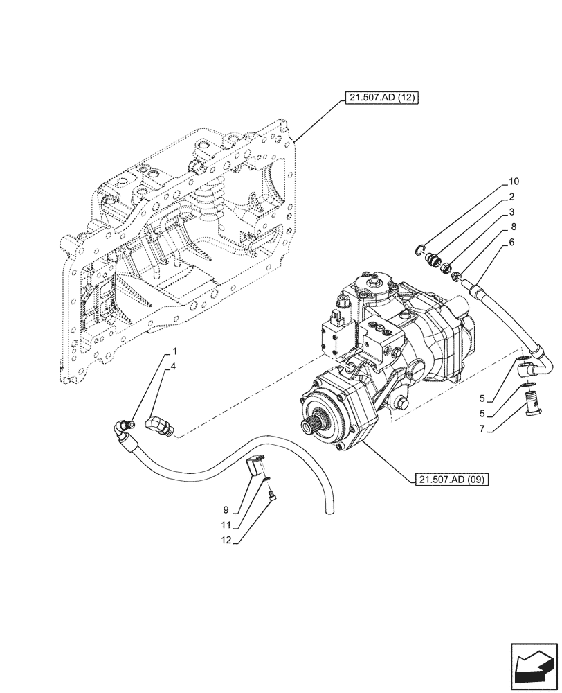
Запчасти Case IH PUMA 200 CVT (21.507.AD[10]) - VAR - 337427, 337433, 391138, 758022, 758870, 759053 - TRANSMISSION, HYDROSTATIC PUMP, LINE (21) - TRANSMISSION

Схема запчастей Case IH PUMA 200 CVT - (21.507.AD[10]) - VAR - 337427, 337433, 391138, 758022, 758870, 759053 - TRANSMISSION, HYDROSTATIC PUMP, LINE (21) - TRANSMISSION
21.507.ad (09)
12
5
3
8
4
9
10
11
2
7
1
6
21.507.ad (12)
5
FIT
1:1
100%

Артикул

Название

Примечание

Количество

1

84332171

FLEXIBLE HOSE,19.05mm ID x 708mm L

1шт.

2

11212813

FITTING,M18 x 1.5 x M22 x 1.5

1шт.

3

11260713

LOCK NUT,M22 x 1.5

1шт.

4

87519182

HYD CONNECTOR

1шт.

5

5165897

SEALING WASHER,22.7mm ID x 30mm OD x 2mm Thk

2шт.

6

84535811

HYDRAULIC HOSE,2.7mm ID x 405mm L

1шт.

7

87667266

BALL STUD,M22 x 1.5 x 42mm

1шт.

8

11266813

FERRULE,15mm ID x 18mm OD x 10mm L

1шт.

9

84236686

BRACKET

1шт.

10

5167640

SEALING WASHER,14.09mm ID x 26.45mm OD x 1.5mm Thk

1шт.

11

11197879

BELLEVILLE WASHER,8.4mm ID x 16mm OD x 2.2mm Thk

1шт.

12

2168745

SCREW,Hex, M8 x 12mm, Cl 8.8

1шт.

Выбрано товаров: 12