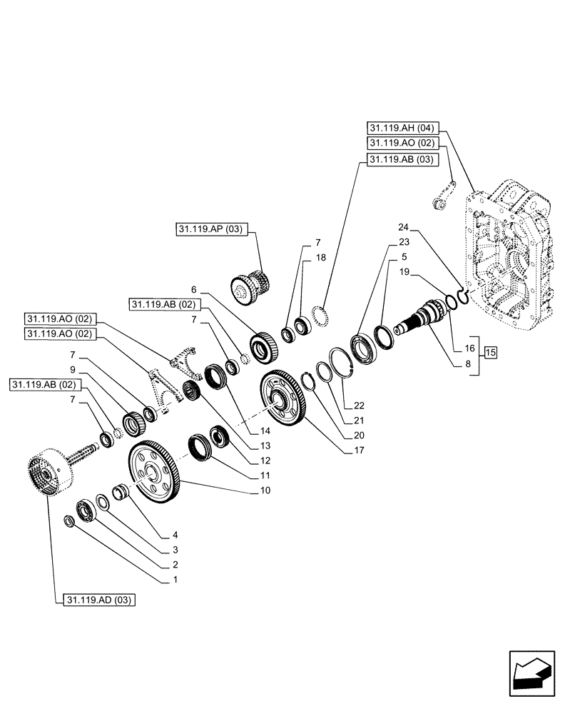
Запчасти Case IH PUMA 200 CVT (31.119.AB[04]) - VAR - 758030 - PTO 540/540E/1000/1000E RPM, DRIVEN SHAFT (31) - IMPLEMENT POWER TAKE OFF

Схема запчастей Case IH PUMA 200 CVT - (31.119.AB[04]) - VAR - 758030 - PTO 540/540E/1000/1000E RPM, DRIVEN SHAFT (31) - IMPLEMENT POWER TAKE OFF
31.119.ab (03)
21
7
18
15
24
19
23
3
10
7
7
11
6
4
12
2
7
1
17
9
13
14
20
5
16
22
8
31.119.ao (02)
31.119.ao (02)
31.119.ao (02)
31.119.ab (02)
31.119.ab (02)
31.119.ap (03)
31.119.ah (04)
31.119.ad (03)
FIT
1:1
100%

Артикул

Название

Примечание

Количество

1

5123114

RING NUT,Hex, M36 x 1.5

1шт.

2

5138660

BEARING, ROLLER, CYL,40mm ID x 90mm OD x 23mm W

1шт.

3

84207908

THRUST WASHER,40mm ID x 70mm OD x 4.5mm Thk

1шт.

4

84207460

BUSHING,44.4mm ID x 55mm OD x 40mm L

1шт.

5

5196487

OIL SEAL,80.00mm ID x 100.00 OD x 10.00mm

1шт.

6

84192945

DRIVING GEAR

Z 24

1шт.

7

84206611

TAPERED BEARING,35mm ID x 62mm OD x 18mm W

4шт.

8

47131841

SHAFT

1шт.

9

84192946

DRIVING GEAR

Z 25

1шт.

10

84192944

GEAR

Z 74

1шт.

11

87578126

SLEEVE,Z12

1шт.

12

87578128

GEAR,21T Internal / 33T External

1шт.

13

84192950

TRANSMISSION SLEEVE,35mm ID x 80mm OD x 20mm Thk

1шт.

14

84192949

TRANSMISSION SLEEVE,75mm ID x 80.5mm OD x 28mm Thk, 30T

1шт.

15

47132123

SHAFT

ASSY, Incl 8, 16

1шт.

16

5179204

PLUG,20.27mm OD x 6.38mm W

1шт.

17

84192943

GEAR

Z 65

1шт.

18

5133776

TAPERED BEARING,35.00mm x 72.00mm x 28.00mm

1шт.

19

14459881

O-RING,2.237" ID x 2.443" OD x 0.103"

1шт.

20

47132124

CIRCLIP,M70

1шт.

21

47131852

RETAINER,70.5mm ID x 86mm OD x 4mm Thk

1шт.

22

11076176

SNAP RING,M125, Int

1шт.

23

26794680

BALL BEARING,70.00mm x 125.00 x 24.00mm

1шт.

24

87347166

SNAP RING,M45 x 3.12mm Thk, Ext

1шт.

Выбрано товаров: 24