Запчасти Case IH PUMA 200 CVT (33.000.00[04]) - SECTION INDEX - BRAKES & CONTROLS (33) - BRAKES & CONTROLS

Схема запчастей Case IH PUMA 200 CVT - (33.000.00[04]) - SECTION INDEX - BRAKES & CONTROLS (33) - BRAKES & CONTROLS
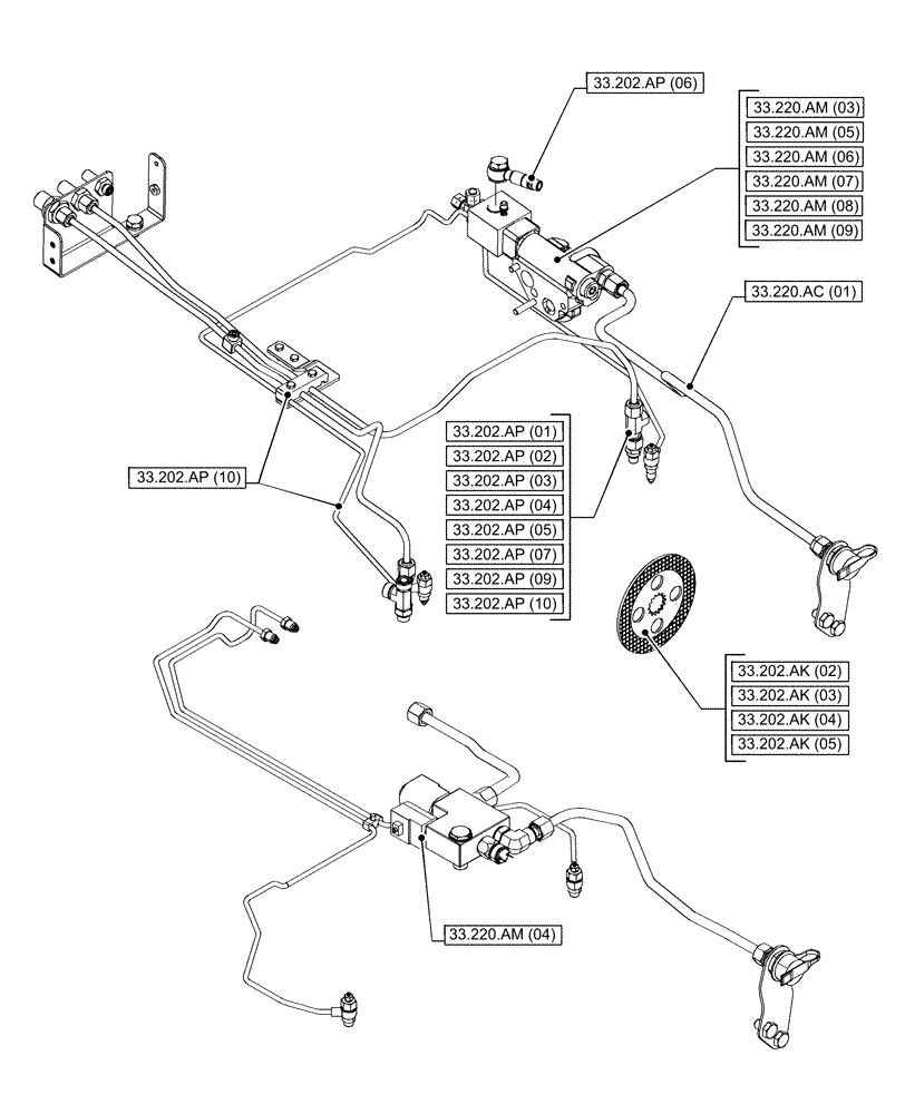
33.202.ak (04)
33.220.am (09)
33.220.am (07)
33.202.ap (03)
33.202.ap (04)
33.202.ap (05)
33.202.ap (07)
33.202.ap (06)
33.220.am (03)
33.202.ak (02)
33.202.ak (03)
33.220.am (04)
33.220.am (05)
33.220.am (08)
33.202.ap (01)
33.202.ap (10)
33.202.ap (10)
33.202.ap (02)
33.220.ac (01)
33.220.am (06)
33.202.ap (09)
33.202.ak (05)
FIT
1:1
100%