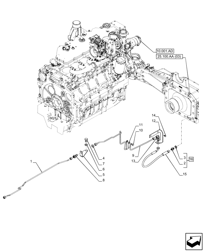
Запчасти Case IH PUMA 200 CVT (33.204.AG[01]) - VAR - 337416, 758049 - FRONT AXLE, BRAKE LINE (33) - BRAKES & CONTROLS

Схема запчастей Case IH PUMA 200 CVT - (33.204.AG[01]) - VAR - 337416, 758049 - FRONT AXLE, BRAKE LINE (33) - BRAKES & CONTROLS
25.100.aa (03)
4
11
16
6
9
3
14
13
2
10
12
7
15
1
5
8
10.001.ad
FIT
1:1
100%

Артикул

Название

Примечание

Количество

1

87722744

HYD TUBE

Front Axle Brakes

1шт.

2

NSS

NOT SOLD SEPARAT

Connector, Incl in 16

1шт.

3

83999938

SEAL,15.7mm ID x 20.9mm OD x 1.5mm Thk

1шт.

4

87010704

BHD LOCK NUT,11/16"-16

1шт.

5

47438070

BRACKET

1шт.

6

10520201

WASHER,16.4mm ID x 28mm OD x 3mm Thk

1шт.

7

374888

BOLT,Hex, M16 x 2 x 25mm, Cl 8.8, Full Thd

1шт.

8

86978770

UNION,11/16"-6, ORFS

1шт.

9

84606630

BRAKE LINE

Front Axle Brakes

1шт.

10

16043221

BOLT,Hex, M8 x 16mm, Cl 8.8, Full Thd

2шт.

11

14496601

WASHER,10.5mm ID x 21mm OD x 2mm Thk

1шт.

12

84606637

BRACKET

1шт.

13

87326942

HYD CONNECTOR

1шт.

14

11106021

BOLT,Hex, M10 x 1.5 x 20 mm, Cl 8.8, Full Thd

1шт.

15

87318011

HOSE

1шт.

16

82015298

HYD CONNECTOR,1/2"-20 - M18 x 1.5

ASSY, Incl 2, 3

1шт.

Выбрано товаров: 16