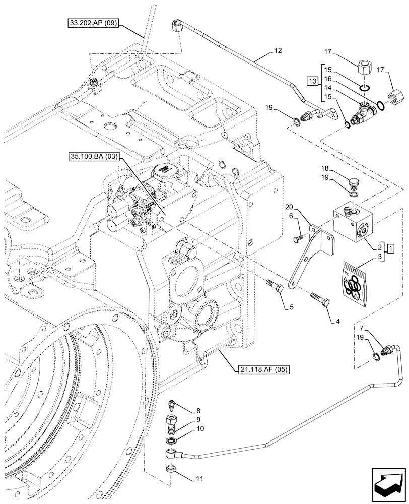
Запчасти Case IH PUMA 200 CVT (33.220.AM[07]) - VAR - 337481, 337484, 337488 - PNEUMATIC TRAILER BRAKE, PIPE, ANTILOCK BRAKING SYSTEM (ABS) (33) - BRAKES & CONTROLS

Схема запчастей Case IH PUMA 200 CVT - (33.220.AM[07]) - VAR - 337481, 337484, 337488 - PNEUMATIC TRAILER BRAKE, PIPE, ANTILOCK BRAKING SYSTEM (ABS) (33) - BRAKES & CONTROLS
33.202.ap (09)
19
9
13
18
2
8
4
16
19
5
1
11
17
15
17
19
3
7
20
12
10
14
15
6
35.100.ba (03)
21.118.af (05)
FIT
1:1
100%

Артикул

Название

Примечание

Количество

1

84565280

BRAKE VALVE

ASSY, Incl 2, 3

1шт.

2

NSS

NOT SOLD SEPARAT

Valve, incl in 1

1шт.

3

84603487

SEAL KIT

1шт.

4

16043921

BOLT,Hex, M8 x 1.25 x 35mm, Cl 8.8

2шт.

5

16043821

SCREW,Hex, M8 x 1.25 x 30mm, Cl 8.8, Full Thd

1шт.

6

10902121

SCREW,Hex, M6 x 14mm, Cl 8.8

2шт.

7

87608326

BRAKE LINE

RH, Trailer Brake Valve

1шт.

8

5153030

BLEED SCREW,Bleeder, Hex, M8 x 1.25 x 25mm

1шт.

9

5155679

BLEEDER VALVE,M12 x 1.25 x 27mm

1шт.

10

5183780

SEALING WASHER,9.73mm ID x 18mm OD x 1.5mm Thk

1шт.

11

5155678

GASKET,12.2mm ID x 17mm OD x 5mm Thk

1шт.

12

47365956

PIPE

LH, Trailer Brake Valve

1шт.

13

87521154

HYD CONNECTOR,M12 x 1, ORB 11/16"-16 ORFS

ASSY, Incl 14 - 16

1шт.

14

NSS

NOT SOLD SEPARAT

Tee, Incl in 13

1шт.

15

82019391

SEAL,9.8mm ID x 14.4mm OD x 1mm Thk

2шт.

16

5185510

O-RING,1.78mm Thk x 9.25mm ID, 85 Duro

1шт.

17

9625546

CAP,11/16" - 16 ORFS

2шт.

18

47131496

PLUG,Hex, M12 x 1

1шт.

19

10261060

SEALING WASHER,12.2mm ID x 16mm OD x 1.5mm Thk

3шт.

20

87682609

SUPPORT

1шт.

Выбрано товаров: 20