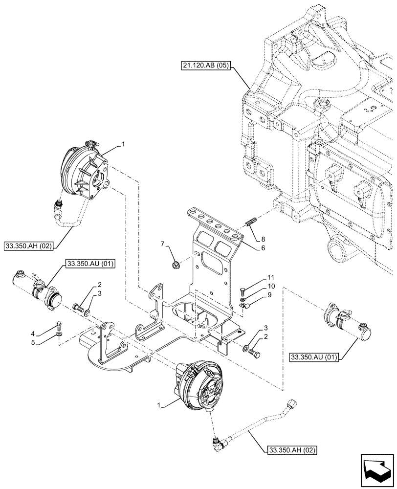
Запчасти Case IH PUMA 200 CVT (33.350.AM[02]) - VAR - 337479, 337480 - ANTILOCK BRAKING SYSTEM (ABS), BRAKE SERVO (33) - BRAKES & CONTROLS

Схема запчастей Case IH PUMA 200 CVT - (33.350.AM[02]) - VAR - 337479, 337480 - ANTILOCK BRAKING SYSTEM (ABS), BRAKE SERVO (33) - BRAKES & CONTROLS
21.120.ab (05)
10
7
3
2
4
6
11
8
1
5
3
9
2
33.350.au (01)
33.350.au (01)
1
33.350.ah (02)
33.350.ah (02)
FIT
1:1
100%

Артикул

Название

Примечание

Количество

1

84395433

CONVERTER

Rear

2шт.

2

9706687

BOLT,M12 x 1.75 x 30mm, Cl 8.8

4шт.

3

140018

WASHER,13.5mm ID x 24mm OD x 2.5mm Thk

4шт.

4

43127

BOLT,Hex, M8 x 1.25 x 25mm, Cl 8.8

2шт.

5

86625263

WASHER,9mm ID x 20mm OD x 1.6mm Thk

2шт.

6

84592751

BRACKET

1шт.

7

14059511

NUT

2шт.

8

13530021

STUD,M12 x 1.25 x 25mm L, Cl 8.8

M12 x 1.25 x 25mm

2шт.

9

10113104

CLAMP,8mm, 7mm Bolt Hole, J Type

1шт.

10

10519421

WASHER,6.4mm ID x 11.95mm OD x 1.6mm Thk

1шт.

11

86508568

BOLT,Hex, M6 x 1 x 16mm, Cl 8.8

1шт.

Выбрано товаров: 11